勞斯萊斯P625E柴油發電機配件CV14543凸輪軸
序號 零配件號碼 最近的部分號碼 描述
1 CV14543 1 CV14543 凸輪軸
2 CV14544 1 CV14544 凸輪軸
3 CV13282 6 CV13282 螺拴
4 ST43057 6 2131 A010 墊圈
5 ST33298 1 ST33298 彈簧銷
6 CV17071 6 CV17071 固定螺釘
7 ST43056 6 2131 A008 墊圈
8 ST45778 1 ST45778 彈簧銷
12 CV19997 2 CV19997 推力板
13 ST47004 4 ST47004I 螺旋
Item Parts No. Qty. Latest Part No. Description Cut Out Cut In Comment
1 CV14543 1 CV14543 CAMSHAFT
2 CV14544 1 CV14544 CAMSHAFT
3 CV13282 6 CV13282 BOLT
4 ST43057 6 2131A010 WASHER
5 ST33298 1 ST33298 SPRING PIN
6 CV17071 6 CV17071 SETSCREW
7 ST43056 6 2131A008 WASHER
8 ST45778 1 ST45778 SPRING PIN
12 CV19997 2 CV19997 THRUST PLATE
13 ST47004 4 ST47004I SCREW

序號 零配件號碼 最近的部分號碼 描述
3 CV398/1 1 CV398/1 半圓鍵
3 CV398/2 1 CV398/2 半圓鍵
3 CV398/3 1 CV398/3 半圓鍵
3 CV398/4 1 CV398/4 半圓鍵
3 CV398/5 1 CV398/5 半圓鍵
3 CV398 1 CV398 半圓鍵
5 CV5822 1 CV5822 墊片
6 CV19206 1 CV19206 密封 -油
7 ST44441 6 2314 C045 固定螺釘
8 ST43160 6 2134 A008 墊圈
9 ST43056 6 2131 A008 墊圈
Item Parts No. Qty. Latest Part No. Description Cut Out Cut In Comment
3 CV398/1 1 CV398/1 WOODRUFF KEY
3 CV398/2 1 CV398/2 WOODRUFF KEY
3 CV398/3 1 CV398/3 WOODRUFF KEY
3 CV398/4 1 CV398/4 WOODRUFF KEY
3 CV398/5 1 CV398/5 WOODRUFF KEY
3 CV398 1 CV398 WOODRUFF KEY
5 CV5822 1 CV5822 SHIM
6 CV19206 1 CV19206 SEAL - OIL
7 ST44441 6 2314C045 SETSCREW
8 ST43160 6 2134A008 WASHER
9 ST43056 6 2131A008 WASHER

序號 零配件號碼 最近的部分號碼 描述
1 CV1430 8 CV1430 板
2 CV9022 1 CV9022 凸緣
3 CV20110 1 CV20110 橋
4 CV1437 1 CV1437 夾合裝置
5 2314 J004 4 2314 J004 螺旋
6 CV1428 1 CV1428 飛輪
7 CV1430 8 CV1430 板
8 CV11619 6 CV11619 螺拴
9 CV17315 6 CV17315 螺帽
10 CV20737 2 CV20737 螺拴
11 CV2151 2 CV2151 螺帽
12 CV1433 16 CV1433 墊圈
13 CV9024 1 CV9024 螺帽
14 CV9023 1 CV9023 墊圈
Item Parts No. Qty. Latest Part No. Description Cut Out Cut In Comment
1 CV1430 8 CV1430 PLATE
2 CV9022 1 CV9022 FLANGE
3 CV20110 1 CV20110 SHAFT
4 CV1437 1 CV1437 CLAMPING DEVICE
5 2314J004 4 2314J004 SCREW
6 CV1428 1 CV1428 FLYWHEEL
7 CV1430 8 CV1430 PLATE
8 CV11619 6 CV11619 BOLT
9 CV17315 6 CV17315 NUT
10 CV20737 2 CV20737 BOLT
11 CV2151 2 CV2151 NUT
12 CV1433 16 CV1433 WASHER
13 CV9024 1 CV9024 NUT
14 CV9023 1 CV9023 WASHER
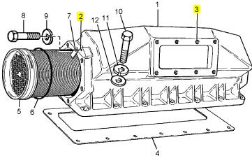
Item Parts No. Qty. Latest Part No. Description Cut Out Cut In Comment
1 1 GUARD
2 CV66737 1 CV66737 GUARD
3 CV66738 3 CV66738 BRACKET
4 2314C043 3 2314C043 SCREW
5 2131A008 3 2131A008 WASHER
6 2134A008 3 2134A008 WASHER

序號 零配件號 最近的零配件號 描述
1 1 凸輪軸傳動機構
2 1 凸輪軸傳動機構
3 1 凸輪軸傳動機構
4 1 燃油泵傳動機構
5 2 推拔軸承
6 CV70056 1 CV70056 混合傳動機構
6 CV7866 1 CV70056 混合傳動機構
7 CV7868 1 CV7868Z 混合傳動機構
10 CV17071 12 CV17071 固定螺釘
11 ST43056 12 2131 A008 墊圈
12 ST45778 1 ST45778 彈簧銷
13 CV13003 2 CV13003Z 車軸
16 CV8666 2 CV8666 鎖定板
17 CV11604 2 CV11604 推力板
18 CV430 4 CV430 止推片
19 CV1412 1 CV1412Z 惰輪傳動機構
22 CV12174 6 CV12174 螺拴
23 CV1414 1 CV1414Z 惰輪傳動機構
26 CV329 2 CV329 車軸
27 ST43058 2 2131 A012 墊圈
28 CV1415 1 CV1415 惰輪傳動機構
31 1 機機油泵傳動機構
32 CV1381 2 CV1381 止推片

1 CV14543 1 CV14543 凸輪軸
2 CV14544 1 CV14544 凸輪軸
3 CV13282 6 CV13282 螺拴
4 2131 A010 6 2131 A010 墊圈
5 ST45780 1 ST45780 合釘
6 CV17071 6 CV17071 固定螺釘
7 2131 A008 6 2131 A008 墊圈
8 ST45778 1 ST45778 彈簧銷
9 CV1214 1 CV1214 凸輪軸傳動機構
10 CV1215 1 CV1215 凸輪軸傳動機構
11 CV8563 1 CV8563 凸輪軸傳動機構

序號 零配件號 最近的零配件號 描述
1 CV6441 2 CV6441
4 CV20211 2 CV20211I 密封墊
5 OE46695 2 OE46695 TUBESTACK
6 2413695 4 2413695 密封O型圈
7 CV2863 2 CV2863 鎖定板
8 ST44407 2 ST44407 固定螺釘
9 2131 A008 2 2131 A008 墊圈
10 ST43502 28 ST43502 螺拴
11 2134 A008 28 2134 A008 墊圈
12 2131 A008 28 2131 A008 墊圈

Item Parts No. Qty. Latest Part No. Description Cut Out Cut In Comment
2 ST47423 2 ST47423 INSERT
3 ST47453 41 ST47453 INSERT

序號 零配件號 最近的零配件號 描述
1 CV17244 1 CV17244 連接
2 ST91230 1 ST91230 水管
3 ST46411 2 ST46411 夾
4 ST43521 2 ST43521 螺拴
5 2134 A008 2 2134 A008 墊圈
6 2131 A008 2 2131 A008 墊圈
7 ST43507 4 ST43507 螺拴
8 2134 A008 4 2134 A008 墊圈
9 2131 A008 4 2131 A008 墊圈
10 CV17245 1 CV17245 連接
11 ST91642 1 ST91642 水管
12 ST46412 2 ST46412 夾
13 ST43515 1 ST43515 螺拴
14 2134 A008 1 2134 A008 墊圈
15 2131 A008 1 2131 A008 墊圈
16 CV600/M 1 CV600/M 線軸
17 ST10946 8 ST10946 密封O型圈
18 CV2976 1 CV2976 連接
19 ST43507 6 ST43507 螺拴
20 2134 A008 6 2134 A008 墊圈
21 2131 A008 6 2131 A008 墊圈
22 CV12708 1 CV12708 板
23 CV20218 1 CV20218 密封墊
24 ST20133 1 ST20133I 堵塞
25 ST49891 1 ST49891 墊圈
26 ST43506 4 ST43506 螺拴
27 2134 A008 4 2134 A008 墊圈
28 CV12689 2 CV12689 蓋
30 ST43513 4 ST43513 螺拴
31 2134 A008 4 2134 A008 墊圈
32 2131 A008 4 2131 A008 墊圈
33 ST43509 2 ST43509 螺拴
34 2134 A008 2 2134 A008 墊圈
35 2131 A008 2 2131 A008 墊圈
36 OE22105 2 OE22105 距離塊
37 ST43508 6 ST43508 螺拴
38 2134 A008 6 2134 A008 墊圈
39 2131 A008 6 2131 A008 墊圈
溫馨提示
我司建立了一套完整的英國Perkins零配件供應體系,全天候快速響應,純正的Perkins配件是您最佳的選擇,因為您所得到的是延長Perkins動力系統壽命的最佳保證。
網頁中公布的Perkins發動機配件號與圖片僅為參考,因 Perkins動力系統零配件型號與技術參數太多,沒能全部展示,如有配件與維修技術資料方面的需求,請與本司的在線客服溝通與交流,希望我們能夠幫您節約更多等待備件時間和維修技術方面的困難。
特別聲明:我司只銷售Perkins原廠配件,需付廠或防品件請繞道,謝謝。