機油濾清器
John Deere約翰迪爾強鹿6068 6.8L柴油發動機機油濾清器零件圖冊

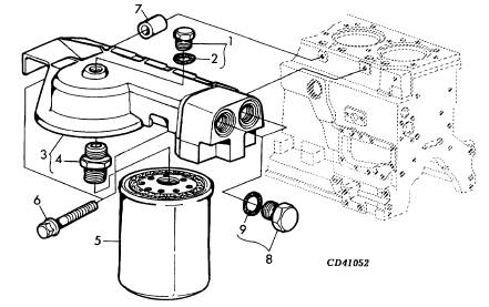
KEY PART NO. PART NAME QTY SERIAL NO. 0 0 0 REMARKS
1 51M7042 O-RING 1 X X X 13.300 X 2.200 MM
2 RE46716 FITTING PLUG 1 -850881 X X X (DUBUQUE T0)
RE52242 DRAIN PLUG 1 850882- X X X (DUBUQUE T0)
RE46716 FITTING PLUG 1 -580776 X X X (SARAN CD)
RE52242 DRAIN PLUG 1 580777- X X X (SARAN CD)
RE46716 FITTING PLUG 1 -XXXXXX X X X (TORREON PE)
RE52242 DRAIN PLUG 1 XXXXXX- X X X (TORREON PE)
3 51M7045 O-RING 2 X X X 19.300 X 2.200 MM
4 R116115 FITTING 2 X X X (SUB FOR RE46687, THIS APPLICATION)
(ALSO ORDER 51M7045)
5 R56462 O-RING 4 850706- X X X (DUBUQUE T0)
R56462 O-RING 4 618639- X X X (SARAN CD)
R56462 O-RING 4 XXXXXX- X X X (TORREON PE)
5A R72328 O-RING 4 -850705 X X X (DUBUQUE T0)
R72328 O-RING 4 -618638 X X X (SARAN CD)
R72328 O-RING 4 -XXXXXX X X X (TORREON PE)
6 RE506817 TUBE 1 850706- X X X (DUBUQUE T0)
RE506817 TUBE 1 618639- X X X (SARAN CD)
RE506817 TUBE 1 XXXXXX- X X X (TORREON PE)
6A R135269 TUBE 1 -850705 X X X (SUB FOR R123506) (DUBUQUE T0)
R135269 TUBE 1 -618638 X X X (SUB FOR R123506) (SARAN CD)
R135269 TUBE 1 -XXXXXX X X X (SUB FOR R123506) (TORREON PE)
7 RE506816 TUBE 1 850706- X X X (DUBUQUE T0)
RE506816 TUBE 1 618639- X X X (SARAN CD)
RE506816 TUBE 1 XXXXXX- X X X (TORREON PE)
7A R135268 TUBE 1 -850705 X X X (SUB FOR R123505) (DUBUQUE T0)
R135268 TUBE 1 -618638 X X X (SUB FOR R123505) (SARAN CD)
R135268 TUBE 1 -XXXXXX X X X (SUB FOR R123505) (TORREON PE)
8 R502864 GASKET 1 X X X (SUB FOR R123504)
9 R135916 ADAPTER 1 -850881 X X X (SUB FOR R123473) (SUB RE509312)
(DUBUQUE T0)
R501436 ADAPTER 1 850882- X X X (DUBUQUE T0)
R135916 ADAPTER 1 -580776 X X X (SUB FOR R123473) (SUB RE509312) (SARAN
CD)
R501436 ADAPTER 1 590777- X X X (SARAN CD)
R135916 ADAPTER 1 -XXXXXX X X X (SUB FOR R123473) (SUB RE509312)
(TORREON PE)
R501436 ADAPTER 1 XXXXXX- X X X (TORREON PE)
10 RE67238 SCREW 1 X X X M8 X 20
11 19M7913 SCREW 2 X X X M8 X 90
12 19M7802 SCREW 3 X X X M8 X 65
13 RE59754 OIL FILTER 1 X X X
14 19M7784 SCREW 2 X X X M10 X 20
15 RE59906 FILTER HEAD 1 -850881 X X X (MARKED R134570) (SUB RE509312)
(DUBUQUE T0)
RE503727 FILTER HEAD 1 850882- X X X (MARKED R501439) (DUBUQUE T0)
RE59906 FILTER HEAD 1 -580776 X X X (MARKED R134570) (SUB RE509312) (SARAN
CD)
RE503727 FILTER HEAD 1 580777- X X X (MARKED R501439) (SARAN CD)
RE59906 FILTER HEAD 1 -XXXXXX X X X (MARKED R134570) (SUB RE509312)
(TORREON PE)
RE503727 FILTER HEAD 1 XXXXXX- X X X (MARKED R501439) (TORREON PE)

KEY PART NO. PART NAME QTY SERIAL NO. 0 0 0 REMARKS
1 51M7042 O-RING 1 X X X 13.300 X 2.200 MM
2 RE46716 FITTING PLUG 1 -850881 X X X (DUBUQUE T0)
RE52242 DRAIN PLUG 1 850882- X X X (DUBUQUE T0)
RE46716 FITTING PLUG 1 -580776 X X X (SARAN CD)
RE52242 DRAIN PLUG 1 580777- X X X (SARAN CD)
RE46716 FITTING PLUG 1 -XXXXXX X X X (TORREON PE)
RE52242 DRAIN PLUG 1 XXXXXX- X X X (TORREON PE)
3 51M7045 O-RING 2 X X X 19.300 X 2.200 MM
4 R116115 FITTING 2 X X X (SUB FOR RE46687, THIS APPLICATION)
(ALSO ORDER 51M7045)
5 R56462 O-RING 4 850706- X X X (DUBUQUE T0)
R56462 O-RING 4 618639- X X X (SARAN CD)
R56462 O-RING 4 XXXXXX- X X X (TORREON PE)
5A R72328 O-RING 4 -850705 X X X (DUBUQUE T0)
R72328 O-RING 4 -618638 X X X (SARAN CD)
R72328 O-RING 4 -XXXXXX X X X (TORREON PE)
6 RE506817 TUBE 1 850706- X X X (DUBUQUE T0)
RE506817 TUBE 1 618639- X X X (SARAN CD)
RE506817 TUBE 1 XXXXXX- X X X (TORREON PE)
6A R135269 TUBE 1 -850705 X X X (SUB FOR R123506) (DUBUQUE T0)
R135269 TUBE 1 -618638 X X X (SUB FOR R123506) (SARAN CD)
R135269 TUBE 1 -XXXXXX X X X (SUB FOR R123506) (TORREON PE)
7 RE506816 TUBE 1 850706- X X X (DUBUQUE T0)
RE506816 TUBE 1 618639- X X X (SARAN CD)
RE506816 TUBE 1 XXXXXX- X X X (TORREON PE)
7A R135268 TUBE 1 -850705 X X X (SUB FOR R123505) (DUBUQUE T0)
R135268 TUBE 1 -618638 X X X (SUB FOR R123505) (SARAN CD)
R135268 TUBE 1 -XXXXXX X X X (SUB FOR R123505) (TORREON PE)
8 R502864 GASKET 1 X X X (SUB FOR R123504)
9 R135916 ADAPTER 1 -850881 X X X (SUB FOR R123473) (SUB RE509312)
(DUBUQUE T0)
R501436 ADAPTER 1 850882- X X X (DUBUQUE T0)
R135916 ADAPTER 1 -580776 X X X (SUB FOR R123473) (SUB RE509312) (SARAN
CD)
R501436 ADAPTER 1 590777- X X X (SARAN CD)
R135916 ADAPTER 1 -XXXXXX X X X (SUB FOR R123473) (SUB RE509312)
(TORREON PE)
R501436 ADAPTER 1 XXXXXX- X X X (TORREON PE)
10 RE67238 SCREW 1 X X X M8 X 20
11 19M7913 SCREW 2 X X X M8 X 90
12 19M7802 SCREW 3 X X X M8 X 65
13 RE59754 OIL FILTER 1 X X X
14 19M7784 SCREW 2 X X X M10 X 20
15 RE59906 FILTER HEAD 1 -850881 X X X (MARKED R134570) (SUB RE509312)
(DUBUQUE T0)
RE503727 FILTER HEAD 1 850882- X X X (MARKED R501439) (DUBUQUE T0)
RE59906 FILTER HEAD 1 -580776 X X X (MARKED R134570) (SUB RE509312) (SARAN
CD)
RE503727 FILTER HEAD 1 580777- X X X (MARKED R501439) (SARAN CD)
RE59906 FILTER HEAD 1 -XXXXXX X X X (MARKED R134570) (SUB RE509312)
(TORREON PE)
RE503727 FILTER HEAD 1 XXXXXX- X X X (MARKED R501439) (TORREON PE)
POWERTECH

KEY PART NO. PART NAME QTY SERIAL NO. 0 0 0 REMARKS
1 RE503727 FILTER HEAD 1 X X X
2 R56462 O-RING 4 X X X
3 RE506816 TUBE 1 X X X
4 RE506817 TUBE 1 X X X
5 R501436 ADAPTER 1 X X X
6 RE509312 FILTER HEAD 1 X X X (SUB FOR RE504471)

KEY PART NO. PART NAME QTY SERIAL NO. 0 0 0 REMARKS
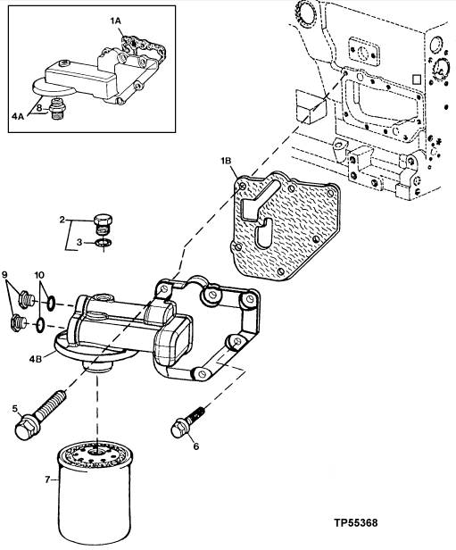
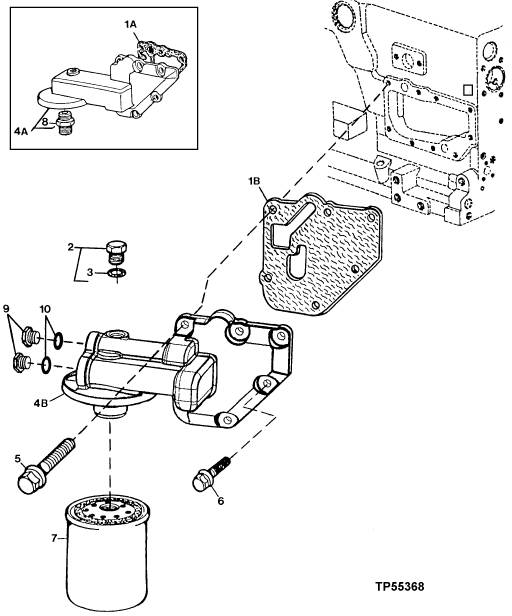
1A R123525 GASKET 1 -764919 X X X
1B R500374 GASKET 1 764920- X X X
2 RE46716 PLUG AR -XXXXXX X X X
RE52242 DRAIN PLUG AR XXXXXX- X X X
3 51M7042 O-RING 1 X X X 13.300 X 2.200 MM
4A RE59908 FILTER HEAD 1 -764919 X X X (MARKED R123475) (SUB RE500133) (ALSO
ORDER (2) R116115, (2) 51M7045 AND
R500374)
4B RE500133 FILTER HEAD 1 764920- X X X
5 19M7802 SCREW 5 X X X M8 X 65
6 RE67238 SCREW 1 X X X M8 X 20
7 RE59754 OIL FILTER 1 X X X
8 R123591 ADAPTER 1 -764919 X X X (SUB RE59908)
9 R116115 FITTING 2 764920- X X X
10 51M7045 O-RING 2 764920- X X X

KEY PART NO. PART NAME QTY SERIAL NO. 0 0 0 REMARKS
1A R123525 GASKET 1 -764919 X X X
1B R500374 GASKET 1 764920- X X X
2 RE46716 PLUG AR -XXXXXX X X X
RE52242 DRAIN PLUG AR XXXXXX- X X X
3 51M7042 O-RING 1 X X X 13.300 X 2.200 MM
4A RE59908 FILTER HEAD 1 -764919 X X X (MARKED R123475) (SUB RE500133) (ALSO
ORDER (2) R116115, (2) 51M7045 AND
R500374)
4B RE500133 FILTER HEAD 1 764920- X X X
5 19M7802 SCREW 5 X X X M8 X 65
6 RE67238 SCREW 1 X X X M8 X 20
7 RE59754 OIL FILTER 1 X X X
8 R123591 ADAPTER 1 -764919 X X X (SUB RE59908)
9 R116115 FITTING 2 764920- X X X
10 51M7045 O-RING 2 764920- X X X

KEY PART NO. PART NAME QTY SERIAL NO. 0 0 0 REMARKS
1 RE46716 FITTING PLUG 1 X X X M16 X 1.5
2 51M7042 O-RING 1 X X X
3 RE59907 FILTER HEAD 1 X X X (NLA) (MARKED R121407) (SUB RE71598,
RE52242, R501484 AND 19M7802)
4 .................. ADAPTER 1 X X X ( R123591 NLA) (SUB RE51598, RE52292,
R501484 AND 19M7802)
5 RE67238 SCREW 1 X X X M8 X 20
6 19M7802 SCREW 4 X X X M8 X 65
7 19M7970 SCREW 1 X X X M8 X 100
8 R123525 GASKET 1 X X X
9 RE59754 OIL FILTER 1 X X X
RE67764 OIL FILTER 1 X X X (A)
(A) HIGH CAPACITY
HAUTE CAPACITE
HOHE KAPZAITAET
ALTA CAPACITA’
CAPACIDAD ALTA
HOEG KAPACITET

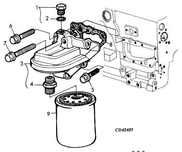
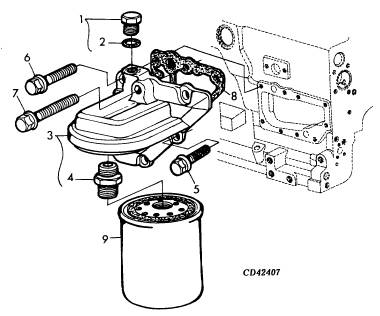
KEY PART NO. PART NAME QTY SERIAL NO. 0 0 0 REMARKS
1 RE46716 FITTING PLUG 1 X X X M16 X 1.5
2 51M7042 O-RING 1 X X X
3 RE59907 FILTER HEAD 1 X X X (NLA) (MARKED R121407) (SUB RE71598,
RE52242, R501484 AND 19M7802)
4 .................. ADAPTER 1 X X X ( R123591 NLA) (SUB RE51598, RE52292,
R501484 AND 19M7802)
5 RE67238 SCREW 1 X X X M8 X 20
6 19M7802 SCREW 4 X X X M8 X 65
7 19M7970 SCREW 1 X X X M8 X 100
8 R123525 GASKET 1 X X X
9 RE59754 OIL FILTER 1 X X X
RE67764 OIL FILTER 1 X X X (A)
(A) HIGH CAPACITY
HAUTE CAPACITE
HOHEKAPZAITAET
ALTA CAPACITA
CAPACIDAD ALTA
HOEG KAPACITET

KEY PART NO. PART NAME QTY SERIAL NO. 0 0 0 REMARKS
1 RE70063 BRACKET 1 X X X
2 RE46716 PLUG 2 -XXXXXX X X X
RE52242 DRAIN PLUG 2 XXXXXX- X X X
3 T77932 O-RING 4 X X X 15.596 X 1.778 MM
4 38H5018 ELBOW FITTING 4 X X X
5 38H5004 ADAPTER 4 X X X
6 14M7296 FLANGE NUT 2 X X X M10
7 .................. ADAPTER 1 X X X ( R123593 NLA) (SUB RE60153)
8 RE60153 FILTER HEAD 1 X X X
9 RE69768 HYDRAULIC HOSE 2 X X X
10 T77932 O-RING 4 X X X
11 RE71062 ADAPTER 1 X X X
12 R123525 GASKET 1 X X X
13 19M7913 SCREW 1 X X X M8 X 90
14 RE67238 SCREW 1 X X X M8 X 20
15 19M7802 SCREW 4 X X X M8 X 65
16 RE59754 OIL FILTER 1 X X X
17 RE68201 FILTER HEAD 1 X X X (ALSO ORDER (2) T77932)

KEY PART NO. PART NAME QTY SERIAL NO. 0 0 0 REMARKS
1 RE46716 FITTING PLUG 1 -XXXXXX X X X M16 X 1.5
RE52242 DRAIN PLUG 1 XXXXXX- X X X
2 51M7042 O-RING 1 X X X 13.300 X 2.200 MM
3 RE59906 FILTER HEAD 1 -XXXXXX X X X (MARKED R134570)
RE503727 FILTER HEAD 1 XXXXXX- X X X (MARKED R501439)
4 R123591 ADAPTER 1 X X X (SUB RE504472)
5 RE59754 OIL FILTER 1 X X X
6 19M7835 SCREW 2 X X X M10 X 35
7 R114358 SPACER 1 X X X
8 RE46687 FITTING PLUG 2 X X X M22 X 1.5
9 51M7045 O-RING 1 X X X 19.300 X 2.200 MM
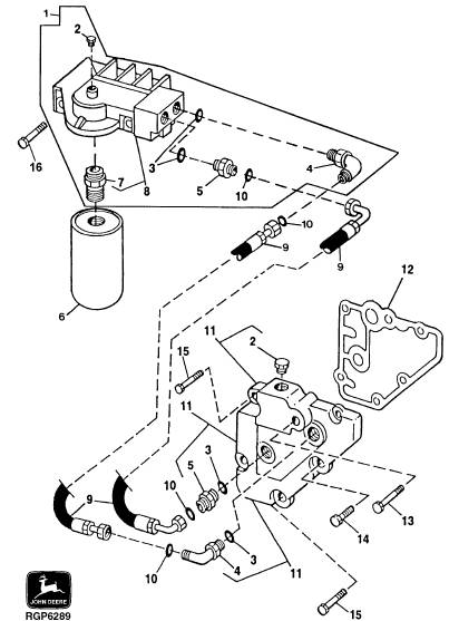
KEY PART NO. PART NAME QTY SERIAL NO. 0 0 0 REMARKS
1 RE503727 FILTER HEAD 1 X X X
2 R56462 O-RING 4 X X X
3 RE506818 TUBE 1 X X X
4 RE506819 TUBE 1 X X X
5 R501436 ADAPTER 1 X X X
6 RE509313 FILTER HEAD 1 X X X (SUB FOR RE504472)

KEY PART NO. PART NAME QTY SERIAL NO. 0 0 0 REMARKS
1 RE68201 FILTER HEAD 1 -793939 X X X
RE502858 ADAPTER 1 793940- X X X
2 RE46716 PLUG 2 -XXXXXX X X X
RE52242 DRAIN PLUG 2 XXXXXX- X X X
3 T77932 O-RING 4 X X X 15.596 X 1.778 MM
4 38H5018 ELBOW FITTING 4 X X X
5 38H5004 ADAPTER 4 X X X
6 RE59754 OIL FILTER 1 X X X
7 .................. ADAPTER 1 X X X (SUB RE60153)
8 RE60153 FILTER HEAD 1 X X X
9 RE70190 HYDRAULIC HOSE 2 X X X
10 T77932 O-RING 4 X X X
11 RE71062 ADAPTER 1 X X X
12 R123525 GASKET 1 X X X
13 19M7913 SCREW 1 X X X M8 X 90
14 RE67238 SCREW 1 X X X M8 X 20
15 19M7802 SCREW 4 X X X M8 X 65
16 19M7784 SCREW 1 X X X M10 X 20