裝載機傳動及變速液壓系統的原理與維修技術紹

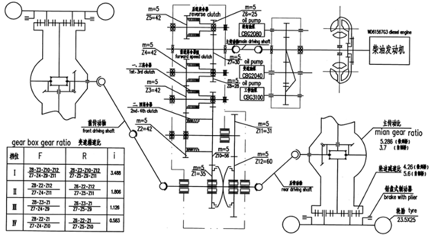
傳動系統的組成:
單級三元件液力變矩器
定軸式動力換擋變速箱
傳動及變速液壓系統
傳動軸(分主、前、后、中)
驅動橋(分前、后)
輪邊減速器、輪網及輪胎
ZL50D、ZL50F裝載機裝配的YJ37503單級三元件液力變矩器的結構、原理、裝配要點及常見故障的排除
常用技術參數
結構形式:單級三元件
一級導輪反饋變矩,三個元件組成的變矩器,稱為單級三元件變矩器。
型號含義:YJ37503
Y——“液”的漢語拼音,第一個字母
J——“矩”的漢語拼音,第一個字母
375——泵輪、渦輪工作時,液體的有效循環圓直徑
03——變形序號
變矩系數
通過變矩器后的扭矩增大倍數。例如:變矩系數“3”,即增大了發動機輸出扭矩的三倍。
(一)50F裝載機變矩器總成
YJ375變矩器
50F裝載機變矩器總成

50D變矩器總成

YJ320變矩器的構成

第二章傳動系統




(一)變矩器
主要由殼體、泵輪罩、泵輪、渦輪、導輪、泵體、輸出軸、
主被動齒輪、壓力閥、溢流閥等組成。
山工牌裝載機的變矩器的結構特點:單級三元件結構。它只有
一個泵輪、渦輪和一個導輪的結構。
山工牌裝載機的變矩器的工作原理:變矩器將發動機輸出的機械能通過泵輪轉化成內部工作液體的動能。從泵輪流出的工作液體高速流入渦輪,通過沖擊渦輪葉片,推動渦輪轉動。渦輪通過輸出軸與主傳動軸相連,從而帶動變速箱輸入軸。導輪與變矩器殼體。
固定在一起,起作用是改變液體流向,從而使渦輪和泵輪上力矩不等,以實現變矩變速的目的。
本工作油液通過壓力閥和溢流閥,經齒輪箱和導輪座內部油道進入變矩器工作腔內,不斷循環和補充?;赜徒泴л喿褒X輪箱內油道出口壓力閥,經濾油器和散熱器回變速箱。
變矩器的結構特點:
液力變矩器位于發動機和變速箱之間,通過不斷循環的工作液體傳遞動力,因而有下述特點:
(1)能自動調節輸出的扭矩和轉速,使裝載機根據道路情況和阻力大小自動變更速度和牽引力,以適應不斷變化的各種情況。
(2)液力變矩器是利用液體作為工作介質來傳遞能量的因而能吸收并消除來自發動機和外載荷的振動和沖擊,延長使用壽命。
(3)起步平穩,加速迅速均勻。
變矩器的拆裝:
準備好各種工具(包括通用專用工具、量具)
1.油泵:
松開工作油泵、傳動油泵、轉向油泵固定螺栓,分別拆下工作油泵、傳動油泵、轉向油泵同時取下連接處檔圈。回油接頭,呼吸器:拆下回油接頭呼吸器
3.壓力閥、溢流閥: 松開進口壓力閥,出口壓力閥、溢流閥固定螺栓,拆下進口壓力閥出口壓力閥溢流閥
4.輸出法蘭:松開輸出法蘭固定螺栓,取下擋板輸出法蘭松開螺栓,拆下壓蓋及油封。
5.彈性板:松開彈性板固定螺栓,取下墊板后取下彈性板。
6.泵輪罩:
松開泵輪罩與泵輪固定螺栓,用頂絲頂出泵輪罩。
7.渦輪:
松開固定渦輪螺栓,取下擋板、擋圈、軸承、拿出渦輪軸用擋圈。
8.導輪:
取下擋圈的、拿出導輪定位套
.轂體:
松開轂體與齒輪箱固定螺栓,用頂絲使之分離,取下轂體中的O形圈
9.主動齒輪:
取下固定主動齒輪的內六角螺栓,取下主動齒輪。
10.泵輪:
松開泵輪固定螺栓,取下檔板,拆下泵輪擰出泵輪轂及軸承
11.導輪座:
取出導輪座兩邊密封,輕擊打出渦軸、打出從動輪同時取出兩盤軸承及定位套。
4、液力變矩器的裝配:
裝配前準備好各種通用、專用工具、量具等。
1.輸出齒輪的軸承、定位套:
用銅棒將固定輸出齒輪的第一盤軸承,1打入,裝入定位套打入第二盤軸承(113),裝入孔用擋圈,三種輸出齒輪的軸承定位套擋圈下法一樣,然后裝入輸出齒輪
2.導輪座:
在導輪座固定結合面上涂密封膠,進回油口與齒輪箱上的油口對準,將導輪座打入齒輪箱內,在導輪座上裝兩邊油封。
3.裝輸出法蘭:
在渦輪軸上裝密封環,打入軸承(310),一塊裝在齒輪箱上,在壓蓋上涂密封膠,油口對正,用螺栓固定在齒輪上,將法蘭裝在渦輪軸上,在擋板上涂厭氧膠,用螺栓固定在渦輪軸上
4.壓力閥、溢流閥
在各閥結合面上上涂密封膠,然后用螺栓將進口壓力閥、出口壓力閥、溢流閥固定在齒輪箱體上。
6.導輪:
在導輪座上安裝定位套,然后裝入導輪加上擋圈
7.渦輪:
將軸承(212)打入渦輪轂,用擋圈固定,然后裝在渦輪軸上,要求泵輪渦輪之間間隙在2mm左右,放上擋板用螺栓緊固在渦輪軸上。
8.泵輪罩:
在泵輪罩上加O型圈,用螺栓將泵輪與泵輪罩固定在一起。
9.彈性板:
將兩張彈性板及墊板用螺栓緊固在泵輪罩上。
10.回油接口,呼吸器:
在回油接口上涂密封膠,然后裝在齒輪箱,擰好呼吸器
11.油泵:
在輸出齒輪上裝軸用擋圈,將泵用螺栓固定在齒輪箱上。
變矩器動力的輸入部分:
發動機的動力按如下線路輸入至泵輪,從發動機飛輪 彈性聯接板 泵輪罩 泵輪。
液力變矩器循環圓內充滿著工作液體,液力變矩器不工作時,工作液體處于靜止狀態,不傳遞任何能量。液力變矩器工作時,由發動機帶動泵輪旋轉,并將發動機的力矩施加于泵輪。泵輪旋轉時,泵輪內的葉片帶動工作液體一起做圓周運動,并迫使液體沿葉片間通道做相對運動。工作液體經受泵輪和葉片的作用在離開泵輪
時獲得一定的動能和壓能,從而實現了將發動機的機械能變為液體的液能。
發動機的動力在泵輪分出一部分,通過泵輪、泵輪轂、驅動油泵主動齒輪驅動油泵從動齒輪油泵驅動軸來傳遞。
動力輸出部分:傳遞路線 渦輪 渦輪轂 渦輪軸 主動齒輪 。
由泵輪 流出的高速液流,沖擊渦輪葉片,使渦輪開始旋轉,將液體的液能轉變為機械能,然后經過渦輪轂、渦輪軸、主動齒輪將功率輸出,克服外阻力作功。
液流在渦論中運動由兩部分組成:一部分隨旋轉的渦論一起做沖擊運動:另一部分在渦輪葉片流道內做相對運動。由于液體沖擊葉片,將液能轉變為機械能,所以液體的動能和壓能降低。
導輪的固定支承部分:導輪是一個固定不動的零件,它于導輪座一起固定在殼體上。有渦輪流出的液流進入導輪,只有沿葉片所限制的油道作相對運動。一是速度大小發生變化另一方面是運動方向改變。導輪的主要作用是改變液體的動量矩。還改變液能的形式變為渦輪的旋轉機械能。
變矩器的密封:采用了三種密封:
1、對沒有相對運動的泵輪罩和泵輪之間采用了0形圈 的結構。
2、對于有相對運動而且壓力較高的連接處則采用合金鑄鐵或尼龍的密封圈。泵輪轂和導輪座,導輪座和渦輪軸之間均采用此結構。
3、對于有相對運動而且壓力較低的連接處的泵輪轂和隔板(隔離盤)之間采用了骨架油封。
五、液力變矩器中各另部件的作用及損壞后出現的現象:
|
序號 |
零件名稱 |
作用 |
現象 |
|
1、 |
彈性板 |
把發動機輸出的動力傳遞到變矩器 |
無動力輸出(不行走不轉向不舉升) |
|
2、 |
泵輪、導輪、渦輪 |
這三個輪形成液流沖擊 |
軸承損壞后會出現三輪相互磨損,液壓油內會出現鋁沫 |
|
3、 |
310、212、3056214 |
支撐作用 | |
|
4、 |
擋圈 |
固定導輪、齒輪 |
導輪軸向竄動,齒輪軸向竄動 |
|
5、 |
導輪座 |
進、回油道、油封槽 |
油道堵塞呼吸器竄油,油封磨損回造成內泄 |
|
序號 |
零件名稱 |
作用 |
現象 |
|
1、 |
進口 壓力閥 |
1、5—1、8MPa控制變速箱離合器的壓力 |
活塞磨損,彈簧變軟壓力降低,油溫升高,燒離合器。 |
|
3、 |
溢流閥 |
0、6-0、7MPa控制變矩器內腔的壓力 |
壓力底行走無力、散熱潤滑的油不足造成油溫高、燒離合器 |
|
4、 |
出口 壓力閥 |
0、3MPa變矩器內腔的備壓 |
卡死后變矩器內腔的不能流出,造成呼吸器竄油 |
|
5、 |
30減壓閥 |
1、3-1、5MPa控制變速箱離合器的壓力,溢流閥0、3MPa |
同上1和2 |
