龍工30系列定軸式變速箱、變矩器

變矩器的組成

YJ315X液力變矩器的安裝、使用與維護
一、變矩器安裝
該變矩器與LRC6105、YC6108、錫柴6100等型號發動機匹配,配套國產ZL30E型裝載機。與發動機連接安裝時,液力變矩器的旋轉中心線與發動機曲軸旋轉中心線必須重合。
二、變矩器使用與維護
1、液力變矩器使用前應先檢查各旋轉件是否旋轉靈活,有無卡碰現象。
2、裝到車上,向油箱加入適量的工作油;起動發動機,低速運轉1--2分鐘,使各管路及工作系統都充滿油液后再檢查工作油是否達到油面指示線。
三、液力變矩器起動后,不應立即進行工作,應依次從 低速--中速空載運轉--帶負荷運轉;使用過程中經常觀察傾聽液力變矩器運轉有無異響,工作油壓及油溫的變化(油溫應控制在80--110˚C),至少每 周檢查一次油位。
四、油液應按要求使用8#或6#液力傳動油,按公司5次強保要求及時更換油液和清洗濾芯。
五、機器使用中,應根據工況負載及速度及時換檔,以免液力變矩器在低效區長時間工作,造成工作油液過高而使整機工作無力,并使其零件損壞。
天津變矩器的組成

變矩器工作原理、作用
將發動機的機械能轉換為液能,并將液能還原為機械能。
能自動調節輸出扭矩和轉速,使裝載機可以根據道路狀況和阻力小,自動改變速度和牽引力,以適應不斷變化的各種工況。
以油為介質的變矩器取代了機械連接的主離合器,工作油可吸收和消除發動機本身和外載時所帶來的沖擊振動及噪音,從而保護了柴油機和傳動系統,提高了裝載機使用壽命。
ZL30.03變速箱

特點和用途
本變速箱具有結構簡單,工作可靠,操縱方便和傳動效率高的特點。
本變速箱在匹配液力變矩器后,用于載荷和速度化比較頻繁的以四輪驅動的工程機械(如裝載機)的動力傳動。
技術參數
最大輸入轉速 2500r/min
最大輸入扭矩 650N .m
最在輸入功率 75kW
配套變矩器零速變矩比 3.0~3.6
變速箱型式 定軸、常嚙合、液壓/撥叉換檔
變速箱傳動
前進Ⅰ檔 3.28
Ⅱ檔 2.08
Ⅲ檔 1.09
Ⅳ檔 0.59
后退Ⅰ檔 3.05
Ⅱ檔 0.87
變速箱用油 6#液力傳動油
工作壓力 1.1~1.5MPa
油底殼允許油溫 100℃

箱體部件

杭齒428變速箱的組成
輸入軸總成

中間軸總成

倒檔軸總成

輸出軸總成

杭齒變速箱傳動簡圖

ZL30.03箱與變矩器的供油系統原理

常見故障
各擋壓力上不去
用油不足,變速泵吸油困難或吸不上油。
管路接頭松動后空氣進入管路混合在油液中產生氣泡。
變速泵進油管吸扁或濾芯堵塞后,影響變速泵的吸油量。
調壓閥彈簧斷后失去調壓作用。
切斷閥不回位,油液被切斷流回油池。
變速泵損壞后大大降低了變速泵的泵油量。
個擋壓力上不去
活塞密封件損壞后,油缸內的油液大量泄漏造成壓力損失。
活塞體有砂眼或裂紋進入的油液大量泄漏。
操縱閥密封件損壞后進油與回油直接相通。
管路接頭松動進入空氣。
ZL30E.5G變速箱介紹
ZL30E.5G為定軸式動力換檔變速箱,檔位為三個前進檔和三個后退檔,具有結構簡單、緊湊、剛性大、傳動效率高、維修方便、齒輪壽命長等優點,具體技術參數如下:
輸入功率: 85kw
輸入轉速: 2600r/min
變矩器型式: 單級單相三元件
變矩器零速變矩比: ≥3.5
變速箱型式: 三前三后、動力換檔、定軸結構
變速箱機械傳動比:
前進一檔3.715 后退一檔3.546
前進二檔1.838 后退二檔1.754
前進三檔0.695 后退三檔0.663
操縱油壓: 1.50~1.70Mpa
變矩器進口油壓: 0.55~0.65 Mpa
潤滑油壓: 0.180~0.28 Mpa
變矩器出口最高允許油溫: 120℃

箱體外觀件

前進、倒退離合器總成

ZL30E變速箱一、三檔離合器總成

二檔離合器總成

輸出軸及倒檔舵輪軸總成

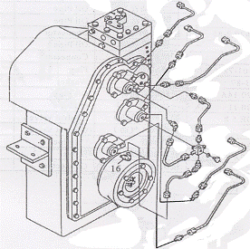
ZL30E 變速箱各油管的裝配

ZL30E龍工自制定軸式變速箱傳動簡圖

定軸式變速箱各擋傳動路線
前進檔傳動過程:
觀察齒輪旋轉方向的方位為:自輸入處往輸出方向觀察:
前進一擋:嚙合前進擋,一擋兩離合器:
輸入→ Z1→ Z7→ Z4→ Z10→ Z11→ Z12→ 前后橋輸出。
逆 順 順 逆 逆 順
前進二擋:嚙合前進擋,二擋兩離合器:
輸入→ Z1→ Z7→ Z5→ Z9→ Z11→ Z12→ 前后橋輸出。
逆 順 順 逆 逆 順
前進三擋:嚙合前進擋,三擋兩離合器:
輸入→ Z1→ Z7→ Z6→ Z8→ Z11→ Z12→ 前后橋輸出。
逆 順 順 逆 逆 順
變矩器、變速箱維修注意事項
變速箱之間的區別
龍工箱與杭齒箱區別如下:

