日本五十鈴柴油發動機燃油供給系統的結構原理與維修技術資料
6HK1柴油機

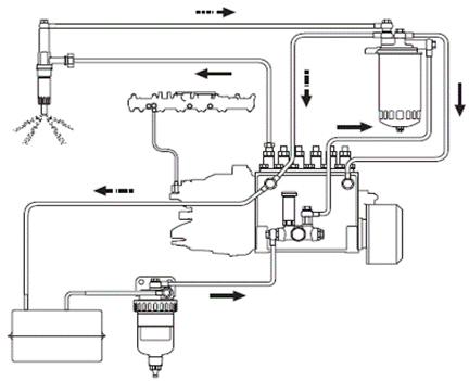
日本五十鈴柴油發動機噴油器是二次噴射型,第一次開啟壓力:18.1 Map
第二次開啟壓力:22.1 Map
1)好 2)不好(有節流)3)不好 (滴漏)
日本五十鈴柴油發動機噴油泵帶自動正時裝置

一定要注意該濾網地清潔

日本五十鈴柴油發動機機油冷卻器的開啟溫度 90渡

日本五十鈴柴油發動機節溫器開啟溫度82度 全開溫度95度;升程8厘米
日本五十鈴柴油發動機兩個節溫器不可以裝反,有排氣孔的裝在外側(靠近出水口)排氣口向發動機后側。

日本五十鈴柴油發動機進水口

柴油發電機需要裝轉換裝置器嗎,柴油機渦輪增壓發動機低速是否可以打開,重慶康明斯柴油機變矩器油冷卻器,發電機并網待并側和系統側如何轉換,濰柴發動機增壓器燒紅怎么回事?,