輪式裝載機機器出現異常情況和問題時控制器采取的動作與排除方法
(1) 變速箱控制器系統
|
故障代碼 |
異常系統 |
異常現象 | ||||
|
10 |
備用燈系統 |
1)備用燈繼電器故障 2)變速箱和操縱桿控制器C1(雌)(8)L76(1)之間線束與電源短路,與機箱接地短路,觸點有故障或斷開 3)后燈繼電器L76(雌)(2)和機箱接地之間線束觸點有故障或斷開 4)變速箱和操縱桿控制器有故障 | ||||
|
12 |
F電池閥系統異常 |
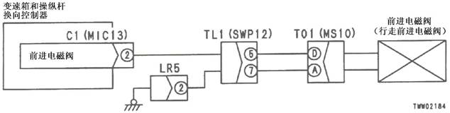
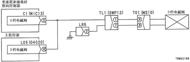
1)F電池閥故障 2)變速箱和操縱桿控制器C1(雌)(2)-TL1(5)-T01(D)之間線束與電源短路,與機箱接地短路,觸點有故障或斷開 3)機箱-TL1(7)-T01(A)之間線束與機箱接地短路,觸點有故障或斷開 4)變速箱和操縱桿控制器有故障 | ||||
|
13 |
R電池閥系統異常 |
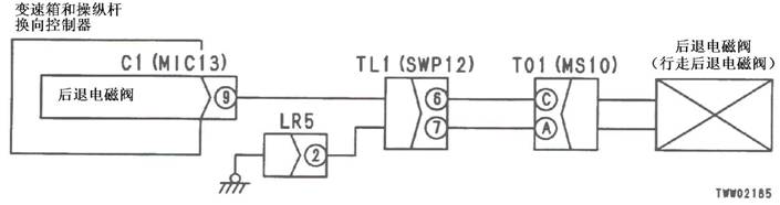
1)R電池閥故障 2)變速箱和操縱桿控制器C1(雌)(9)-TL1(6)-T01(D)之間線束與電源短路,與機箱接地短路,觸點有故障或斷開 3)機箱-TL1(7)-T01(A)之間線束與機箱接地短路,觸點有故障或斷開 4)變速箱和操縱桿控制器有故障 | ||||
|
14 |
1檔電池閥系統異常 |
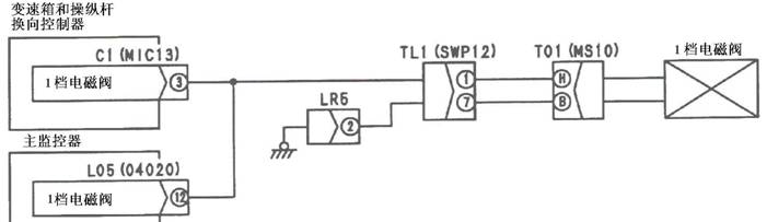
1)1檔電池閥故障 2)變速箱和操縱桿控制器C1(雌)(3)-TL1(1)-T01(H)之間線束與電源短路,與機箱接地短路,觸點有故障或斷開 3)機箱-TL1(7)-T01(B)之間線束與機箱接地短路,觸點有故障或斷開 4)變速箱和操縱桿控制器有故障 | ||||
|
15 |
2檔電池閥系統異常 |
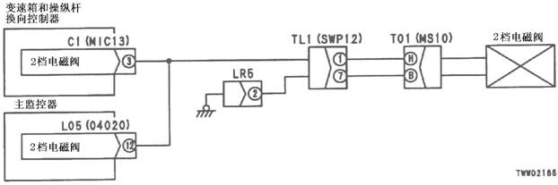
1)2檔R電池閥故障 2)變速箱和操縱桿控制器C1(雌)(10)-TL1(2)-T01(G)之間線束與電源短路,與機箱接地短路,觸點有故障或斷開 3)機箱-TL1(7)-T01(B)之間線束與機箱接地短路,觸點有故障或斷開 4)變速箱和操縱桿控制器有故障 | ||||
|
16 |
3檔電池閥系統異常 |
1)3檔電池閥故障 2)變速箱和操縱桿控制器C1(雌)(5)-TL1(3)-T01(F)之間線束與電源短路,與機箱接地短路,觸點有故障或斷開 3)機箱-TL1(7)-T01(B)之間線束與機箱接地短路,觸點有故障或斷開 4)變速箱和操縱桿控制器有故障 | ||||
|
17 |
4檔電池閥系統異常 |
1)4檔電池閥故障 2)變速箱和操縱桿控制器C1(雌)-TL1(4)-T01(E)之間線束與電源短路,與機箱接地短路,觸點有故障或斷開 3)機箱-TL1(7)-T01(B)之間線束與機箱接地短路,觸點有故障或斷開 4)變速箱和操縱桿控制器有故障 | ||||
|
正常條件(電壓、電流、電阻) |
檢測到異常時 控制器的動作 |
在異常情況下 機器出現的問題 |
故障診斷代碼 |
| ||
|
1)繼電器線圈電阻:200-400Ω 2)變速箱和操縱桿控制器C1(8)和機箱接地在空擋時的電壓:小于1伏 3)變速箱和操縱桿控制器C1(雌)(8)L76(雌)(1)之間線束電阻:最大1Ω 4)后燈繼電器L76(雌)(2)和機箱接地之間線束電阻:最大1Ω |
空擋 (前進、后退、1檔、2檔、3檔、4檔電池閥輸出:斷開) |
后退驅動時后燈不動作 |
T-1 |
| ||
|
1)變速箱和操縱桿控制器C1(雌)(2)和機箱接地之間的電阻:5-15Ω 2)變速箱和操縱桿控制器C1(2)和機箱接地在空擋時的電壓:小于1伏 |
空擋 (前進、后退、1檔、2檔、3檔、4檔電池閥輸出:斷開) |
不可能行走 |
T-2 |
| ||
|
1)變速箱和操縱桿控制器C1(雌)(9)和機箱接地之間的電阻:5-15Ω 2)變速箱和操縱桿控制器C1(9)和機箱接地在空擋時的電壓:小于1伏 |
空擋 (前進、后退、1檔、2檔、3檔、4檔電池閥輸出:斷開) |
不可能行走 |
T-3 |
| ||
|
1)變速箱和操縱桿控制器C1(雌)(3)和機箱接地之間的電阻:5-15Ω 2)變速箱和操縱桿控制器C1(3)和機箱接地在空擋時的電壓:小于1伏 |
空擋 (前進、后退、1檔、2檔、3檔、4檔電池閥輸出:斷開) |
不可能行走 |
T-4 |
| ||
|
1)變速箱和操縱桿控制器C1(雌)(10)和機箱接地之間的電阻:5-15Ω 2)變速箱和操縱桿控制器C1(10)和機箱接地在空擋時的電壓:小于1伏 |
空擋 (前進、后退、1檔、2檔、3檔、4檔電池閥輸出:斷開) |
不可能行走 |
T-5 |
| ||
|
1)變速箱和操縱桿控制器C1(雌)(5)和機箱接地之間的電阻:5-15Ω 2)變速箱和操縱桿控制器C1(5)和機箱接地在空擋時的電壓:小于1伏 |
空擋 (前進、后退、1檔、2檔、3檔、4檔電池閥輸出:斷開) |
不可能行走 |
T-6 |
| ||
|
1)變速箱和操縱桿控制器C1(雌)(11)和機箱接地之間的電阻:5-15Ω 2)變速箱和操縱桿控制器C1(11)和機箱接地在空擋時的電壓:小于1伏 |
空擋 (前進、后退、1檔、2檔、3檔、4檔電池閥輸出:斷開) |
不可能行走 |
T-7 |
| ||
|
故障代碼 |
異常系統 |
異常現象 |
|
19 |
操縱桿方向開關異常 |
1)操縱桿方向桿前進、空擋、后退開關故障 2)操縱桿方向桿插座JS1(8)與機箱接地之間斷開 當未按壓開關并且線束處于以下一種情況時: 3)變速箱和操縱桿控制器C5(雌)(8)-JS1(2)-操縱桿插座(4)之間線束觸點有故障或斷開,或C5(雌)(16)-JS1(3)-操縱桿插座(3)之間線束與機箱接地短路 4)變速箱和操縱桿控制器C5(雌)(7)-JS1(4)-操縱桿插座(4)之間線束觸點有故障或斷開,或C5(雌)(15)-JS1(5)-操縱桿插座(5)之間線束與機箱接地短路 5)變速箱和操縱桿控制器C5(雌)(9)-JS1(6)-操縱桿插座(6)之間線束觸點有故障或斷開,或C5(雌)(17)-JS1(7)-操縱桿插座(7)之間線束與機箱接地短路 |
|
20 |
方向開關信號系統異常 |
1)方向桿故障 2)組合開關電源故障 以下線束與電源短路,與機箱接地短路,觸點有故障或斷開: 3)變速箱和操縱桿控制器C3B(雌)(5)和L04(2)之間線束 4)變速箱和操縱桿控制器C3B(雌)(13)和L04(3)之間線束 5)變速箱和操縱桿控制器C3B(雌)(6)和L04(4)之間線束 6)變速箱和操縱桿控制器故障 |
|
21 |
換檔開關信號系統異常 |
1)方向桿故障 2)組合開關電源故障 以下線束與電源短路,與機箱接地短路,觸點有故障或斷開: 3)變速箱和操縱桿控制器C3B(雌)(7)和L04(5)之間線束 4)變速箱和操縱桿控制器C3B(雌)(15)和L04(6)之間線束 5)變速箱和操縱桿控制器C3B(雌)(8)和L04(7)之間線束 6)變速箱和操縱桿控制器C3B(雌)(16)和L04(8)之間線束 7)變速箱和操縱桿控制器故障 |
|
22 |
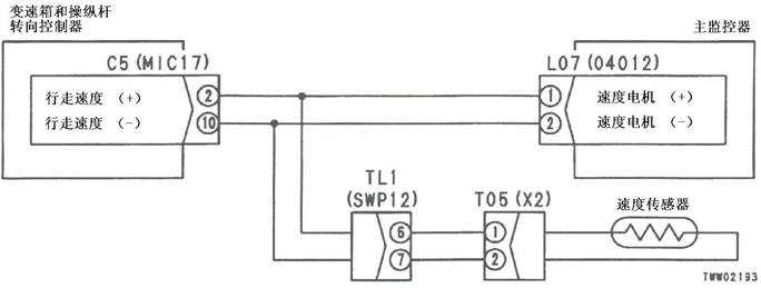
速度傳感器斷開 |
1)速度傳感器故障 2)速度傳感器安裝調整故障 3)變速箱和操縱桿控制器C5(雌)(2)-TL1(11)-T05(1)間線束觸點有故障或斷開 4)變速箱和操縱桿控制器C5(雌)(10)-TL1(12)-T05(2)之間線束觸點有故障或斷開 5)變速箱和操縱桿控制器有故障 |
|
23 |
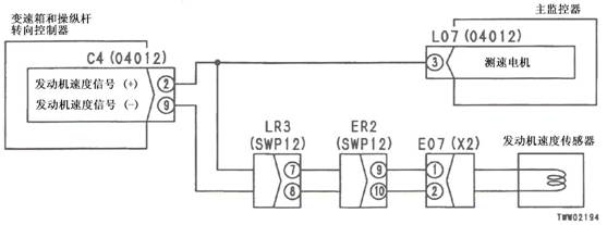
發動機速度傳感器系統異常 |
1)速度傳感器故障 2)速度傳感器安裝調整故障 3)變速箱和操縱桿控制器C4(雌)(2)-LR3(7)-ER2(9)-E07(1)之間線束觸點有故障或斷開 4)變速箱和操縱桿控制器C4(雌)(9)-LR3(8)-ER2(10)-E07(2)之間線束觸點有故障或斷開 5)變速箱和操縱桿控制器有故障 |
|
正常條件(電壓、電流、電阻) |
檢測到異常時 控制器的動作 |
在異常情況下 機器出現的問題 |
故障診斷代碼 |
|
1)操縱桿方向桿插座(8)和機箱接地之間電阻:小于1伏 開關未按壓時有以下情況: 2)變速箱和操縱桿控制器C5(雌)(8)和機箱接地之間電阻:小于1Ω 3)變速箱和操縱桿控制器C5(雌)(7)和機箱接地之間電阻:小于1Ω 且C5(雌)(15)和機箱接地之間電阻:最小1MΩ 4)變速箱和操縱桿控制器C5(雌)(9)和機箱接地之間電阻:小于1Ω 且C5(雌)(17)和機箱接地之間電阻:最小1MΩ |
空擋 (前進、后退、1檔、2檔、3檔、4檔電池閥輸出:斷開) |
在操縱桿方式不能行走(在轉向輪方式是可以的) |
T-8 |
|
1)組合開關L04(1)和機箱接地之間電壓:20-30伏 2)按照方向桿的位置僅1系統的電壓:20-30伏(其它:小于1伏) 前進:變速箱和操縱桿控制器C3B(5)-機箱接地之間 空擋:變速箱和操縱桿控制器C3B(13)-機箱接地之間 后退:變速箱和操縱桿控制器C3B(6)-機箱接地之間 |
·當檢測到與電源短路時立即撥至空擋 ·無信號(斷開)時,保持先前的信號條件2秒鐘 |
不可能行走 |
T-9 |
|
1)組合開關L04(1)和機箱接地之間電壓:20-30伏 2)按照變速桿的位置僅1系統的電壓:20-30伏(其它:小于1伏) 1檔:變速箱和操縱桿控制器C3B(7)-機箱接地之間 2擋:變速箱和操縱桿控制器C3B(15)-機箱接地之間 3擋:變速箱和操縱桿控制器C3B(8)-機箱接地之間 4檔:變速箱和操縱桿控制器C3B(16)-機箱接地之間 |
·如有2個信號輸入,則將按 4←3←2←1次序判定變速位置 ·無信號(斷開)時,保持先前的信號條件(變速位) |
1)自動換檔限制按操作員(OP)選擇的速度范圍而不同 2)在手動方式不能換檔 |
T-10 |
|
1)行走速度傳感器T05(1)和(2)之間電阻:500-1,000Ω 2)變速箱和操縱桿控制器C5(雌)(2)和(10)之間的電壓:最小0.5伏 |
1) 切換至手動方式(OP) 2) 按變速桿動作換檔 |
1)不進行自動換檔(OP) 2) 切換至手動換檔 |
T-11 |
|
1)發動機速度傳感器E07(1)和(2)之間的電阻:100-500Ω 2)變速箱和操縱桿控制器C4(雌)(2)和(9)之間的電壓 |
1) 切換至手動方式(OP) 2) 按變速桿動作換檔 |
1)不進行自動換檔(OP) 2) 切換至手動換檔 |
T-12 |
perkins中文說明書資料,洋馬v94發動機不高溫水箱有氣泡,perkins4016-61TRG2中文資料,康明斯3.8柴油機多長時間保養一回.有沒有珀金斯3012TAG3A 發動機大修說明書,如果沒有相同的型號,找1套12缸說明書做
挖掘機變速箱控制系統故障維修電路圖


故障診斷
T-1 顯示出錯代碼[10](備用燈繼電器短路、斷開或與電源短路)
★ 在異常情況依然存在時,在斷開插頭和插入T-接合器時,或在拔下T-接合器和將插頭插入原位時可以使用本故障診斷。如果出錯代碼不再在監控器上顯示,則問題即不復存在。
★ 進行故障診斷之前,檢查所有有關的插頭是否正確插入。
★ 始終連接好所有斷開的插頭后再作下一步的檢查。

有關電路圖

T-2 顯示出錯代碼[12](前進電磁閥短路、斷開或與電源短路)
★ 在異常情況依然存在時,在斷開插頭和插入T-接合器時,或在拔下T-接合器和將插頭插入原位時可以使用本故障診斷。如果出錯代碼不再在監控器上顯示,則問題即不復存在。
★ 進行故障診斷之前,檢查所有有關的插頭是否正確插入。
★ 始終連接好所有斷開的插頭后再作下一步的檢查。

有關電路圖

T-3 顯示出錯代碼[13](后退電磁閥短路、斷開或與電源短路)
★ 在異常情況依然存在時,在斷開插頭和插入T-接合器時,或在拔下T-接合器和將插頭插入原位時可以使用本故障診斷。如果出錯代碼不再在監控器上顯示,則問題即不復存在。
★ 進行故障診斷之前,檢查所有有關的插頭是否正確插入。
★ 始終連接好所有斷開的插頭后再作下一步的檢查。

有關電路圖

T-4 顯示出錯代碼[14](1檔電磁閥短路、斷開或與電源短路)
★ 在異常情況依然存在時,在斷開插頭和插入T-接合器時,或在拔下T-接合器和將插頭插入原位時可以使用本故障診斷。如果出錯代碼不再在監控器上顯示,則問題即不復存在。
★ 進行故障診斷之前,檢查所有有關的插頭是否正確插入。
★ 始終連接好所有斷開的插頭后再作下一步的檢查。

有關電路圖

T-5 顯示出錯代碼[15](2檔電磁閥短路、斷開或與電源短路)
★ 在異常情況依然存在時,在斷開插頭和插入T-接合器時,或在拔下T-接合器和將插頭插入原位時可以使用本故障診斷。如果出錯代碼不再在監控器上顯示,則問題即不復存在。
★ 進行故障診斷之前,檢查所有有關的插頭是否正確插入。
★ 始終連接好所有斷開的插頭后再作下一步的檢查。

有關電路圖

T-6 顯示出錯代碼[16](3檔電磁閥短路、斷開或與電源短路)
★ 在異常情況依然存在時,在斷開插頭和插入T-接合器時,或在拔下T-接合器和將插頭插入原位時可以使用本故障診斷。如果出錯代碼不再在監控器上顯示,則問題即不復存在。
★ 進行故障診斷之前,檢查所有有關的插頭是否正確插入。
★ 始終連接好所有斷開的插頭后再作下一步的檢查。

有關電路圖

T-7 顯示出錯代碼[17](4檔電磁閥短路、斷開或與電源短路)
★ 在異常情況依然存在時,在斷開插頭和插入T-接合器時,或在拔下T-接合器和將插頭插入原位時可以使用本故障診斷。如果出錯代碼不再在監控器上顯示,則問題即不復存在。
★ 進行故障診斷之前,檢查所有有關的插頭是否正確插入。
★ 始終連接好所有斷開的插頭后再作下一步的檢查。

有關電路圖

T-8 顯示出錯代碼[19](操縱桿方向開關系統短路或斷開)
★ 在異常情況依然存在時,在斷開插頭和插入T-接合器時,或在拔下T-接合器和將插頭插入原位時可以使用本故障診斷。如果出錯代碼不再在監控器上顯示,則問題即不復存在。
★ 進行故障診斷之前,檢查所有有關的插頭是否正確插入。
★ 始終連接好所有斷開的插頭后再作下一步的檢查。

表1 操縱桿柄各點之間電壓
|
端子 |
前進 |
空擋 |
后退 | |
|
JS1 (雄) (8)-(2) |
C5 (8)和機箱之間 (8)-(2) |
20-30伏 |
最大1伏 |
最大1伏 |
|
JS1 (雄) (8)-(3) |
C5 (16)和機箱之間 (8)-(2) |
最大1伏 |
20-30伏 |
20-30伏 |
|
JS1 (雄) (8)-(4) |
C5 (7)和機箱之間 (8)-(2) |
最大1伏 |
20-30伏 |
最大1伏 |
|
JS1 (雄) (8)-(5) |
C5 (15)和機箱之間 (8)-(2) |
20-30伏 |
最大1伏 |
20-30伏 |
|
JS1 (雄) (8)-(6) |
C5 (9)和機箱之間 (8)-(2) |
最大1伏 |
最大1伏 |
20-30伏 |
|
JS1 (雄) (8)-(7) |
C5 (17)和機箱之間 (8)-(2) |
20-30伏 |
20-30伏 |
最大1伏 |
有關電路圖

T-11 顯示出錯代碼[22](行走速度傳感器斷開)
★ 在異常情況依然存在時,在斷開插頭和插入T-接合器時,或在拔下T-接合器和將插頭插入原位時可以使用本故障診斷。如果出錯代碼不再在監控器上顯示,則問題即不復存在。
★ 進行故障診斷之前,檢查所有有關的插頭是否正確插入。
★ 始終連接好所有斷開的插頭后再作下一步的檢查。

有關電路圖

T-12 顯示出錯代碼[23](發動機速度傳感器短路或斷開)
★ 在異常情況依然存在時,在斷開插頭和插入T-接合器時,或在拔下T-接合器和將插頭插入原位時可以使用本故障診斷。如果出錯代碼不再在監控器上顯示,則問題即不復存在。
★ 進行故障診斷之前,檢查所有有關的插頭是否正確插入。
★ 始終連接好所有斷開的插頭后再作下一步的檢查。

有關電路圖

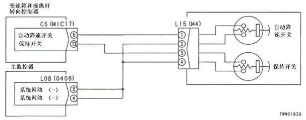
T-13 換檔上不工作
★ 進行故障診斷之前,檢查所有有關的插頭是否正確插入。
★ 始終連接好所有斷開的插頭后再作下一步的檢查。
★ 在斷開插頭和插入T-接合器(或插座)之前,始終將啟動開關撥至OFF(斷開)位。

T-14 換檔下不工作

T-13, T-14 有關電路圖

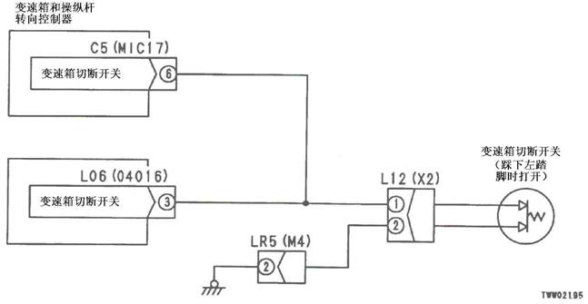
T-15 變速箱切斷不工作或不停工作
★ 進行故障診斷之前,檢查所有有關的插頭是否正確插入。
★ 始終連接好所有斷開的插頭后再作下一步的檢查。
★ 在斷開插頭和插入T-接合器(或插座)之前,始終將啟動開關撥至OFF(斷開)位。

T-15 有關電路圖

道依茨單體泵上為什么有電閥和無電閥.perkins400系列發動機的最大扭矩是.三一旋挖鉆使用說明書.柴油4JB1調整軸瓦 間隙