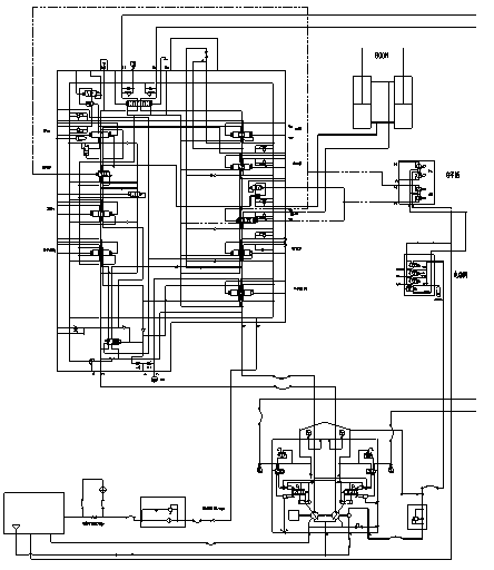
三一310挖掘機液壓系統原理圖與維修技術

|
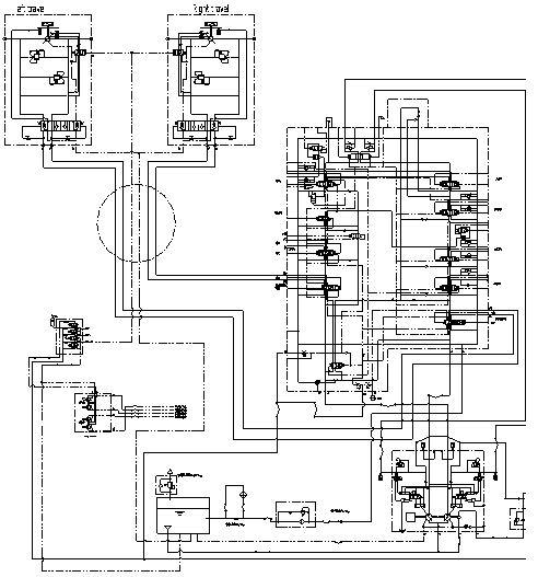
SY310采用的是雙泵雙回路恒功率控制液壓系統,帶四種功率控制模式、中位負流量控制、兩液壓主泵按全功率變量。
主要液壓元件選用日本KAWASAKI(川崎),KAYABA液壓件和KAYABA,其型號規格如下
1.1主泵: K3V140DT-1AER-9TCM
柱塞式串聯變量雙泵,最大排量1402ml/r,該泵按總功率恒定進行變量。


1 電液比例閥 A1,A2 主泵輸出油
2 電液切換控制閥 Psv1,Psv2 電液比例閥供油
3 導向活塞 PN1,PN2 負流量壓力
4 閥柱 Dr 泄油
5 伺服活塞 A3 先導泵出油
6 前泵 B1 主泵吸油
7 后泵 B2 先導 泵吸油
8 先導泵
9 先導溢流閥
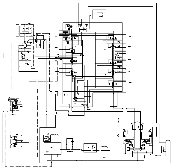
1. 2主操作閥采用川崎KMX15R/B45000C,最大流量270L/min,能實現動臂提升合流、斗桿大小腔合流、斗桿再生回路、行走直線、動臂提升優先、回轉優先、斗桿閉鎖等功能。
|
1 斗桿保持閥(鎖緊閥) 2 斗桿過載溢流閥 3 斗桿控制閥1
4 限位油缸(回轉優先) 5 斗桿再生閥 6 動臂合流單向閥
7 動臂控制閥2 8 單向閥 9 回轉優先閥
10 回轉控制閥 11直線行走控制閥 12左行走控制閥
13主溢流閥 14右行走控制閥 15備用控制閥(破碎錘、液壓剪)
16過載溢流閥 17動臂控制閥1 18動臂過載溢流閥
19動臂保持閥(鎖緊閥) 20鏟斗控制閥 21鏟斗過載溢流閥
22斗桿控制閥2 23優先節流閥 24單向閥
25動臂優先閥 26負流量控制閥 27旁通截止閥
1.2.1為提高作業效率,提高構件運動速度,動臂提升,斗桿大小腔都實現雙泵合流,其工作原理如下:

動臂提升合流BOOM2閥把泵1的流量引到動臂大腔,實現合流。

斗桿合流是通過ARM2閥把泵2的流量引到斗桿大腔或小腔,實現合流。
1.2.2斗桿再生回路,當斗桿無負載下落時,為提高斗桿運行速成度,在斗桿油缸伸出時,把活塞桿腔的油引回大腔,實現再生功能,其工作原理如下圖:

由于斗桿無負載,斗桿油缸大腔壓力很小,兩位兩通閥在彈簧的作用下往下運動,關閉活塞桿腔的回油通道,這樣活塞桿腔的油就直接回到油缸大腔、實現活塞桿的快速伸出。
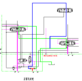
1.2.3行走直線功能,當挖掘機陷入坑中或其它特殊工況時,要求挖掘機能邊行走邊動工作裝置(動臂、斗桿、鏟斗、回轉),能實現挖掘機的自救或其它功能,其工作原理如下:
當行走操作閥動作時,PG左側節流后的油的回油通道被關閉,油壓上升,使SQ閥往下移動,此時若有其它動作時,PG右側節流后的油的回油通道被關閉,油壓上升,使TS閥往左移動,如下圖,這樣P2泵的油通過TS閥給左右行走供油,P1泵給其它動作供油。


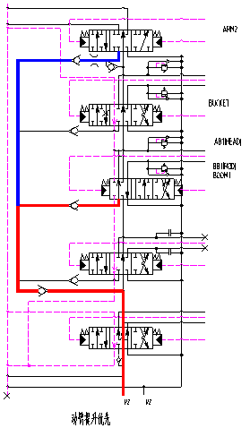
1.2.4優先回路:在并聯回路中,當要兩個動作同時運動時,必需使兩個動作的負載相同,否則,負載大的動作就不會運動,在挖掘機中為提高作業效率,很大一部分時間都要求兩個動作同時運動,比如動臂提升與斗桿、回轉與斗桿,但此時動臂提升的負載很大、回轉起動的負載很大,所以要優先保證動臂提升,回轉起動,其工作原理如下圖所示:

當動臂提升與斗桿復合動作時,在斗桿閥前端節流提高其負荷,保證動臂能夠提升。
1.2.5中位負流量控制信號:為了實現液壓主泵的中位負流量控制,在閥處于中位時,要把中位信號檢測出來,去控制主泵,其工作原理如下圖:

當閥處于中位時,P1,P2通過閥的中位油道,最后經過NR1,NR2節流后回油箱,在節流口NR1,NR2前取得壓力信號FL,FR,就可以控制主泵到最小排量。
1.2.6斗桿、動臂閉鎖,為防止斗桿下掉,閥組內裝有斗桿閉鎖閥,它由控制閥HV和錐閥構成,其原理如下圖:

1.3回轉機構采用川崎M5X180B—CHB—10A,最大流量280L/min,液壓馬達排量121cm³/r,減速機速比20.04,齒輪軸輸出。回轉馬達帶有停車制動器,制動閥,緩沖閥,延時閥。
|
1 回轉減速機 2回轉馬達 3回轉制動溢流閥
4 防擺閥(回轉減震閥) 5 回轉延時閥
1.4行走機構采用行走馬達MAG-170VP-5000,液壓馬達排量170.4/109cm³/r,減速機速比64.739,帶常閉式制動器、制動閥、防沖擊閥。

2.5中央回轉接頭是聯接回轉平臺與底盤油路的液壓元件,它保證回轉平臺旋轉任意角度后,行走馬達還能正常配油,現用回轉接頭是6通。
斗桿動作回路圖
|
動臂動作回路圖

鏟斗動作
|
回轉動作

行走動作

沃爾沃柴油發動機維修,德國曼柴油發動機維修.珀金斯柴油發動機維修,奔馳MTU柴油發動機維修,三菱柴油發動機維修