卡特彼勒3412C 發電機組機油泵 - 拆卸
開始:
卸下發動機油底殼。 請參閱拆解和組裝, "發動機油底殼 - 拆卸和安裝"。

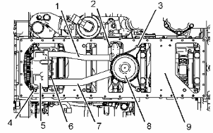
拆卸螺栓 (2) 。拆卸管組件 (1) 。 從管組件上拆卸 O 形密封圈。
拆卸螺栓 (6) 和墊圈。
拆卸螺栓 (3) 。卸下鐘形吸油管組件 (8) 和管組件 (7) 。 從管組件上拆卸 O 形密封圈。
卸下螺栓 (4) ,然后從缸體上卸下發動機機油泵 (5) 。
注: 拆卸發動機機油泵時不需要卸下盤 (9) 。
卡特彼勒3412C 發電機組機油泵 - 拆解
|
表 1 | |||
|
需要的工具 | |||
|
工具 |
零件號 |
零件名稱 |
數量 |
|
A |
1P-2321 |
組合式拉拔器 |
1 |
|
B |
1P-0510 |
沖頭總成 |
1 |
開始:
拆卸發動機機油泵。 請參閱拆解和組裝, "發動機機油泵 - 拆卸"。

卸下將驅動齒輪 (1) 固定在發動機機油泵 (2) 泵軸上的螺栓。 使用工具 (A) ,從軸上卸下驅動齒輪。 從軸上卸下鍵。

拆卸螺栓 (8) 。從泵體 (3) 上卸下護圈 (5) 、彈簧 (6) 和安全閥柱塞 (7) 。
卸下螺栓 (9) 和蓋 (10) 。
從泵體上卸下惰齒輪 (12) 和驅動齒輪 (13) 。
使用工具 (B) ,從泵體上卸下套筒軸承 (4) 。
使用工具 (B) ,從蓋上卸下套筒軸承 (11) 。
卡特彼勒3412C 發電機組機油泵 - 組裝
|
表 1 | |||
|
需要的工具 | |||
|
工具 |
零件號 |
零件名稱 |
數量 |
|
B |
1P-0510 |
沖頭總成 |
1 |

使用工具 (B) ,將套筒軸承 (4) 安裝到泵體 (3) 中。 軸承接頭應距兩個軸承孔中心線 30 ± 15 度。 安裝套筒軸承,使套筒軸承與泵體的外側齊平。

使用工具 (B) ,將套筒軸承 (11) 安裝到蓋 (10) 中。 軸承接頭應距兩個軸承孔中心線 30 ± 15 度。 安裝套筒軸承,使套筒軸承與蓋的外側齊平。

使用清潔的發動機機油潤滑惰齒輪和驅動齒輪。 使用清潔的發動機機油潤滑套筒軸承 (4) 。 將惰齒輪 (12) 和驅動齒輪 (13) 安裝到泵體 (3) 中。
使用清潔的發動機機油潤滑套筒軸承 (11) 。 安裝蓋 (10) 。 安裝螺栓 (9) 。
注: 在組裝后發動機機油泵必須能轉動自如。用手轉動發動機機油泵。 如果發動機機油泵不能轉動自如,重新安置蓋 (10) 。
安裝安全閥柱塞 (7) 、彈簧 (6) 、護圈 (5) 和螺栓 (8) 。
將鍵安裝在軸上。

將驅動齒輪 (1) 安裝在發動機機油泵 (2) 泵軸上。 安裝螺栓 (14) 。 擰緊螺栓至扭矩為 55 ± 10 N·m (41 ± 7 lb ft)。
End By: 安裝發動機機油泵。 請參閱 拆解和組裝, "發動機機油泵 - 安裝"。
卡特彼勒3412C 發電機組機油泵 - 安裝

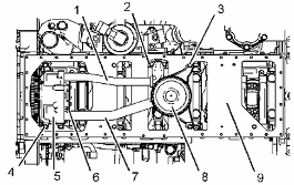
將發動機機油泵 (5) 安置在缸體中的定位銷上。安裝螺栓 (4) 。
注: 確保在擰緊螺栓前先使發動機機油泵在定位銷上就座。
將 O 形密封圈安裝在管組件 (7) 上。 使用清潔的發動機機油潤滑發動機機油泵中的孔。 將管組件 (7) 安裝到發動機機油泵中。安裝墊圈和螺栓 (6) 。
安裝螺栓 (3) ,將鐘形吸油管組件 (8) 固定到盤 (9) 上。
將 O 形密封圈安裝在管組件 (1) 上。 使用清潔的發動機機油潤滑發動機機油泵中的孔。 將管組件 (1) 安裝到發動機機油泵中。安裝螺栓 (2) 。
End By: 安裝發動機油底殼。 請參閱 拆解和組裝, "發動機油底殼 - 拆卸和安裝"。
帕金斯4012缸套 ,帕金斯4012缸套水加熱器,perkins配件 809 1,帕金斯發動機濾清器,帕金斯發動機1104濾清器,帕金斯發動機1104a44tg2濾清器