卡特彼勒SR4B 發電機勵磁機磁場 – 閃磁

|
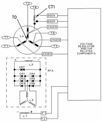
卡特彼勒SR4B 發電機自勵磁發電機配線圖 (CR1-C6) 二級管 (CR7) 變阻器 (L1) 勵磁機磁場(定子) (L2) 勵磁機電樞(轉子) (L3) 主磁場(轉子) (L4) 主電樞(定子) (RFA) 旋轉磁場總成 (CT1) 選裝的電壓降變壓器 (T0、T1、T2、T3、T7、T8、T9) 發電機端子 |
自勵磁發電機可能失去通常存在于勵磁機磁場 (L1) 和主磁場 (L3) 的殘留磁性。 需要殘留磁性起動發電流程。 可使用直流電起勵勵磁機磁場 (L1) ,從而恢復磁性。 可使用 6 VDC 蓄電池供應直流電。
|
注意 |
|
請勿閃斷永久先導勵磁(PMPE)發電機。 可能損壞發電機組。 |
有兩種方法起勵磁場:
靜態起勵(發動機停機時)
動態起勵(發動機運行時)
卡特彼勒SR4B 發電機靜態起勵(發動機停機時)
|
表 1 | |
|
所需工具 | |
|
工具 |
數量 |
|
6 VDC 蓄電池 |
1 |
關閉發動機。
在電壓調節器處,將導線 F1 GEN 從端子 F1 上斷開,然后將導線 F2 GEN 從端子F2 上斷開。
將 6 伏電源的正極電纜連接到導線 F1 GEN。
將 6 伏電源的負極電纜瞬時放到導線 F2 GEN 上(兩次或三次)。
注: 不要讓負極電纜與導線 F2 GEN 接觸超過一秒或兩秒。
連接之前斷開的所有導線。
鉑金斯發動機驅軸油封,珀金斯柴油機濾芯,帕金斯機油濾清,帕金斯中冷增壓器多少錢,perkins 2614b562皮帶