卡特彼勒電子模塊控制面板 II+(EMCP II+)維修測試和調整技術資料
卡特彼勒柴油發電機組外置電壓互感器連接

卡特彼勒柴油發電機組外置電壓互感器(PT)的 Y 形配置為 4 線 Y 形發電機組
這個配置允許通過GSC+對功率參數進行精確測量,包括在沒有平衡負載和中性電流存在時。 所有功率參數都顯示在GSC+顯示屏上。

卡特彼勒柴油發電機組三線三角形發電機上的外置電壓互感器 (PT) 的開放三角形發電機
這個配置允許通過GSC+對功率參數進行精確測量,包括在沒有平衡負載和循環電流存在時。 有效功率相位 A、 B 和 C 不能確定。 功率因數相位 A、B、C 不能確定。 相位沒有顯示在GSC+顯示屏上。

|
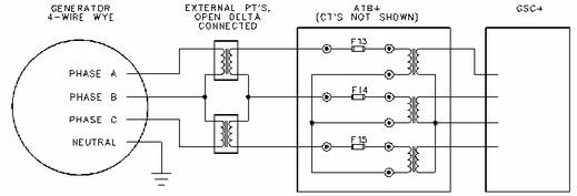
四線 Y 形發電機上的外置電壓互感器 (PT) 的開放三角發電機 這個配置允許通過GSC+對功率參數進行精確測量,包括在沒有平衡負載和中性電流存在時。 有效功率相位 A、B、C 和功率因數相位 A、B、C 不能確定,并且沒有顯示在GSC+顯示屏上。 |
注: 因為負載沒有平衡時,為了保持更高的精度,外置電壓互感器(PT's)的 Y 形配置符合 4 線 Y 形發電機。 開放三角配置下,一些功率參數不能確定。 這些參數是有效功率相位 A、B、C、和功率因數 A、B、C。 對于最高精確度,外部 PT 的開放 delta 設置應僅用于3 股導線 delta 發電機。
在四線 Y 形發電機上,除非完全持續的平衡掉負載,需要三個獨立的電壓互感器(PT's)來提高功率表的精度。 即使負載已經平衡,仍然不能確定一些 功率參數 GSC+顯示屏上沒有顯示這些參數:有效功率相位 A、B、C 和功率因數相位 A、B、C ATB+包括三個電壓互感器,以適應4 線 Y 形發電機。 當 4 線 Y 形發電機組使用一個開放三角形 PT 配置時,沒有利用ATB+的全部性能。
在三線三角形發電機上,兩個電壓互感器對于所有負載情況允許最大精度。然而,真正的功率相位 A、B、C 和功率因數相位 A、B、C 又一次不能確定,并且沒有顯示在GSC+顯示屏上。
當連接外置 PT's 和ATB+時,必須設定GSC+。
卡特彼勒柴油發電機組使用 PT's 時的設定步驟
編寫設定點P032,使其符合外置 PT's 的配置。 設定點P032必須該符合外置 PT's 的配置,不管發電機為 Y 形還是三角形。 這是必要的,因為ATB+僅連著外置 PT's,不能感應發電機連接。
對于以 Y 形設置連接的外部 PT,將設定點P032 設定為 0(Y 形)。 當 Y 形排列發電機上沒有 PT's 時,設定點P032同樣設定為 0。
對于以三角形設置連接的外部 PT,將設定點P032 設定為 1(三角形)。 當三角形排列發電機上沒有 PT's 時,設定點P032同樣設定為 1。
注: 當設定點P032設定為 1(三角形)時,有效功率相位 A、B、C 和功率因數 A、B、C 不能確定,并且也沒有顯示在GSC+顯示屏上。
設定設定點P020,使其符合外置 PT's 的轉動比率。 參見測試與調整, "交流電壓范圍調節"中的交流電壓范圍選擇表。 設定點P020應該符合外置 PT 轉動比率,不管設定點P032設定為 Y 形還是三角形。
卡特噴油器326-4700,卡特噴油器236-0962,卡特噴油器387-9433,卡特噴油器387-9427,卡特噴油器249-0713,卡特柴油泵326-4635 ,卡特柴油泵319-0677