Perkins1103/1104柴油發動機機油冷卻器-拆卸
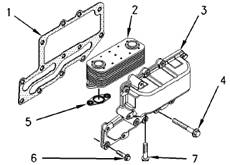
Perkins三缸發動機拆卸方法與步驟
注意:保持所有零件清潔無雜質。雜質會造成快速磨損和縮短部件壽命。在檢驗、保養、測試、調整及維修產品時,務必留心,確保液體盛裝在容器中。在打開任何腔室或拆解任何儲有液體的部件之前,要準備好用合適的容器收集液體。按照本地法規和指令處置所有液體。

1.將發動機中的冷卻液排入適當的容器中。將發動機機油排入適當的容器中。有關排放發動機冷卻液和發動機油的步驟,請參閱《Perkins發動機操作和保養手冊》。
2.從冷卻液進口(1)拆下軟管卡箍和軟管。從冷卻液出口(2)拆下軟管卡箍和軟管。
3.從機油冷卻器體(4)上拆下適配器(3)。
4.拆下O形圈(5)和(6)。棄置O形圈(5)和(6)。
5.卸下密封圈(7)。棄置密封圈(7)。
6.如有必要,拆卸調整螺釘(8)以從缸體拆卸機油冷卻器座(9)。從缸體上拆下接頭。棄置接頭。
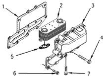
Perkins四缸發動機拆卸方法與步驟
1.將發動機中的冷卻液排入適當的容器中。將發動機機油排入適當的容器中。有關排放發動機冷卻液和發動機油的步驟,請參閱《Perkins發動機操作和保養手冊》。

注:此時不要拆下調整螺釘(7)。
2.拆下調整螺釘(6)。拆下調整螺釘(4)。
3.從缸體上卸下殼體(3)。
4.拆下調整螺釘(7)。從殼體(3)拆卸發動機機油冷卻器(2)和油封(5)。棄置油封(5)。
5.從缸體上拆下接頭(1)。棄置接頭(1)。
發動機機油冷卻器-安裝
Perkins三缸發動機安裝方法與步驟

1.清潔機油冷卻器座(9)和機油冷卻器體(4)的配合面。如果拆下了機油冷卻器座(9),清潔機油冷卻器座和缸體的配合面。

擰緊次序
注:不要在缸體和機油冷卻器座(9)之間的新接頭上使用密封膠。
2.如果從缸體拆下了機油冷卻器座(9),將調整螺釘安裝到機油冷卻器座的調整螺釘孔(1)和(6)中。將一個新接頭安裝到兩個調整螺釘上,然后將機油冷卻器座(9)固定到缸體上。安裝其余的調整螺釘(8)。按照1、2、3、4、5和6的順序將調整螺釘(8)擰緊至22N·m(16lbft)的扭矩。參見圖92。

3.將新O形圈(5)和(6)安裝到機油冷卻器體(4)上。將機油冷卻器體(4)放置到機油冷卻器座(9)上。
4.將新密封圈(7)安裝到適配器(3)上。將適配器(3)穿過機油冷卻器體(4)安裝到機油冷卻器座(9)中。將適配器(3)擰緊至扭矩57N·m(42lbft)。
5.將相應的軟管安裝到冷卻液出口(2)。將軟管卡箍擰緊至扭矩3.5N·m(31lbin)。
6.將相應的軟管安裝到冷卻液進口(1)。將軟管卡箍擰緊至扭矩3.5N·m(31lbin)。
7.向冷卻系統加注冷卻液。向潤滑系統中加注發動機油。有關發動機的冷卻系統容量和潤滑系統容量,請參閱《Perkins發動機操作和保養手冊》,“加注容量”。
Perkins四缸發動機安裝方法與步驟

1.清潔殼體(3)與缸體的配合面。
2.將發動機機油冷卻器(2)和新密封(5)放置在殼體(3)中。安裝調整螺釘(7),從而將發動機機油冷卻器(2)固定至殼體(3)。
注:不要在接頭(1)上使用密封膠。
3.將殼體(3)和新接頭(1)放置在缸體上。安裝調整螺釘(4)和調整螺釘(6),從而將殼體(3)固定至缸體。
4.將所有調整螺釘(4、6和7)擰緊至正確的扭矩。將調整螺釘擰緊至扭矩為22N·m(16lbft)。
注:有關發動機的冷卻系統容量和潤滑系統容量,請參閱《Perkins發動機操作和保養手冊》,“加注容量”。
5.向冷卻系統加注冷卻液。向潤滑系統中加注發動機油。