Perkins1204e噴油器電磁閥的電路的原理圖

1206e-e66發動機噴油器電磁閥原理圖

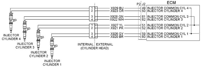
Perkins1204e-e44發動機電磁閥對噴油器P2連接器的引腳位置

(60)供應(1缸)
(59)返回(1缸)
(52)供應(2缸)
(51)返回(2缸)
(62)供應(3缸)
(61)返回(3缸)
(50)供應(4缸)
(49)返回(4缸)
Perkins 1206E-E66發動機電磁閥對噴油器P2連接器的引腳位置

(60)供應(1缸)
(59)返回(1缸)
(52)供應(2缸)
(51)返回(2缸)
(63)供應(3缸)
(64)返回(3缸)
(66)供應(4缸)
(65)返回(4缸)
(62)供應(5缸)
(61)返回(5缸)
(50)供應(6缸)
(49)返回(6缸)

Perkins1204e-e44tta和1206e-e66ta噴油器的典型外型圖
噴油器電磁閥測試”啟動發動機。允許發動機預熱到正常的操作溫度。
停止發動機。
D.把按鍵開關的位置。
訪問“噴油器電磁測試”通過訪問下列顯示屏幕:
“診斷”
“診斷試驗”
“噴油器電磁試驗”
激活測試。
注:不要混淆“噴油器電磁測試”與“缸器測試”。“缸孔“測試”是用來切斷燃油到一個特定的汽缸當發動機運轉時。“噴油器電磁閥測試”來驅動噴油器電磁閥,發動機不運轉。
結果:
所有鋼瓶都顯示“好”,沒有一個電子故障與噴油器在這個時候。
維修:使用電子維修工具清除所有日志診斷代碼。返回發動機服務。
停止。
•不確定——打開——注意說明的鋼瓶“公開”。著手測試步驟3。
•不確定-短-注意說明“短”。著手測試步驟4。
維修步驟3。檢查線束之間的線束電解加工和氣缸蓋開路
電擊危險。電子裝置噴油器使用直流電壓。電解加工發送此電壓到電子裝置噴油器。不要進來與電子線束接頭的接觸當發動機運轉時,單位噴油器。
未能遵循這條指令可能會導致人身傷害或死亡。
A.打開開關到OFF位置。一個強大的觸電是目前如果按鍵開關不關。
斷開可疑噴油器接頭從氣缸蓋。
C.將開關的位置。
制造一個跨接導線100毫米(4英寸)長電線兩端的端子。
把一頭插入到接線端子上。為供應到故障點。插入其他結束的跨接線端子故障點的回流回路。
執行“噴油器電磁閥測試”至少2倍。
重復此測試為每個懷疑噴油器。停止在“噴油器電磁試驗”前處理跳線。
結果:
電子服務工具顯示“目前的上述正常“為氣缸與跳線電解加工與氣缸蓋之間的線束是好的。電解加工是可以的。著手測試步驟5。
電子服務工具不顯示“當前正常”為氣缸跳線線,電解加工之間有故障氣缸蓋。著手測試步驟6。
維修步驟4。檢查線束之間的線束電解加工和氣缸蓋短路
電擊危險。電子裝置噴油器使用直流電壓。電解加工發送此電壓到電子裝置噴油器。不要進來與電子線束接頭的接觸當發動機運轉時,單位噴油器。
未能遵循這條指令可能會導致人身傷害或死亡。
A.打開開關到OFF位置。一個強大的觸電是目前如果按鍵開關不關。
斷開可疑噴油器接頭從氣缸蓋。
注意事項:1缸和2缸相同連接器。缸3缸和4缸相同連接器。缸5缸和6缸相同連接器。