Perkins珀金斯柴油發動機曲軸-安裝

安裝步驟

1清潔曲軸,檢查曲軸有無磨損或損壞。更多資料,請參閱《技術規格》,“曲軸”。如有必要,更換曲軸或修復曲軸。
2.如有必要,安裝曲軸齒輪。有關正確的步驟,請參閱《拆解和組裝》,“曲軸齒輪-拆卸和安裝”。
3.確保缸體中的軸瓦母孔清潔。確保缸體中主軸瓦螺栓的螺紋清潔且無損壞。
4.清潔主軸瓦軸瓦和止推墊圈。檢查主軸瓦軸瓦和止推墊圈有無磨損或損壞。如有必要,更換主軸瓦軸瓦和止推墊圈。
注:如果更換了主軸瓦軸瓦,檢查之前是否安裝了加大尺寸的主軸瓦軸瓦。如果更換了止推墊圈,檢查之前是否安裝了加大尺寸的止推墊圈。

5將主軸瓦上軸瓦(11)安裝到缸體上。確保主軸瓦上軸瓦的定位凸舌座入缸體的槽中。
注:上主軸瓦有一個凹槽和兩個油孔。
6.使用清潔的發動機機油潤滑主軸瓦上軸瓦(11)。

7將工具(A)和適當的起吊設備連接到曲軸(10)上。將曲軸(10)吊入缸體。曲軸的重量約為61kg(134lb)。
注:不要損壞曲軸上的任何精加工表面。不要損壞主軸瓦軸瓦。

8使用清潔的發動機機油潤滑止推墊圈(9)。將止推墊圈(9)安裝到缸體的6號主軸瓦中。
注:止推墊圈中的凹槽必須抵到曲軸上。止推墊圈的一端有一個定位凸舌。確保定位凸舌正確座入缸體。

9將主軸瓦下軸瓦(8)安裝到主軸瓦蓋(7)中。確保主軸瓦下軸瓦的定位凸舌正確座入軸瓦蓋的槽中。
注:主軸瓦下軸瓦是一個沒有油孔的普通軸瓦。
10.使用清潔的發動機機油潤滑主軸瓦下軸瓦(8)和曲軸的軸頸。將主軸瓦蓋(7)安裝到缸體中。
注:確保主軸瓦蓋(7)的位置和朝向正確。主軸瓦上下軸瓦的定位凸舌應在發動機的同一側。

11使用清潔的發動機機油潤滑螺栓(6)的螺紋。使用清潔的發動機機油潤滑螺栓(6)頭的底面。
12將螺栓(6)安裝到主軸瓦蓋(7)上。均勻地擰緊螺栓,以便把軸瓦蓋拉到位。確保軸瓦蓋正確座入。
注:不要將主軸瓦蓋輕敲到位,否則可能擠出軸瓦。
13.擰緊螺栓(6)至扭矩為80N·m(59lbft)。將螺栓(6)多轉90度。用工具(B)達到最終扭矩。
14.轉動曲軸,確保沒有卡滯。

15.檢查曲軸的軸向間隙。向發動機前部推動曲軸。將工具(C)安裝到缸體及曲軸后表面上。向發動機后部推動曲軸。使用工具(C)測量曲軸軸向間隙。曲軸允許的軸向間隙為0.10mm(0.004in)至0.41mm(0.016in)。

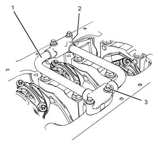
16.如有必要,按照步驟16.a至步驟16.c將跨接管組件安裝到缸體上。
a.從管組件(1)拆下螺栓(3)。
b將管組件(1)從缸體上拆下。
c拆下密封墊(2)(未顯示)。


17.安裝了7號主軸瓦后,將需要安裝橋接件。遵循步驟17.a至17.d,安裝橋接件。
a.確保缸體中的凹槽和橋接件清潔、干燥、無舊密封膠。
b.安裝橋接件(10)和六角頭螺栓(9)。安裝六角頭螺栓并用手擰緊。
注:確保橋接件朝向正確。
c.使用工具(E),對齊橋接件(10)的后表面與缸體的后表面。
d.擰緊六角頭螺栓(9)至扭矩為16N·m(142lbin)。
18.安裝曲軸后密封。有關正確的步驟,請參閱《拆解和組裝》,“曲軸后油封-安裝”。

19.將工具(D)涂敷在橋接件(10)的腔室(Y)中。繼續涂敷工具(D),使密封膠擠出腔室(X)。
20.如果沒有更換曲軸或重新修復曲軸,安裝連桿軸瓦。有關正確的步驟,請參閱《拆解和組裝》,“連桿軸瓦-安裝”。
結束:
a.如有必要,安裝活塞和連桿。有關正確的步驟,請參閱《拆解和組裝》,“活塞和連桿-安裝”。
b.如有必要,安裝缸蓋。有關正確的步驟,請參閱《拆解與組裝》,“氣缸蓋-安裝”。
c.安裝前殼體。有關正確的步驟,請參閱《Perkins柴油機拆解和組裝》,“殼體(前)-安裝”。
d.安裝發動機機油泵。有關正確的步驟,請參閱《拆解和組裝》,“發動機機油泵-安裝”。