John Deere約翰迪爾強(qiáng)鹿6068 3.9-6.8L風(fēng)扇與風(fēng)扇皮帶維修零件圖冊

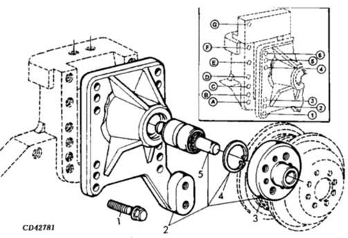
KEY PART NO. PART NAME QTY SERIAL NO. H H REMARKS
1 19M7835 SCREW 4 X M10 X 35, (10.9) (POSITIONING HOLES A2 +
E5)
19M7835 SCREW 4 X M10 X 35, (10.9) (POSITIONING HOLES D1 +
E3)
2 RE70177 SUPPORT 1 X X (MARKED R134775)
3 .................. HUB 1 X X COMMANDER RE70177
4 E1343FN SNAP RING 1 X X
5 .................. BALL BEARING 1 X X COMMANDER RE70177

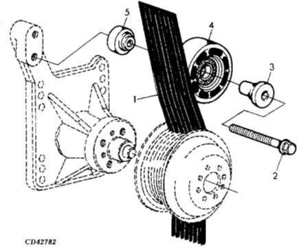
KEY PART NO. PART NAME QTY SERIAL NO. H REMARKS
1 R123441 BELT 1 X LGTH 1575MM
2 19M7808 SCREW 1 X M10 X 65, (10.9)
3 R107749 SLEEVE 1 X
4 RE68722 PULLEY 1 X
5 R500320 SPACER 1 X