John Deere約翰迪爾強鹿交流充電發電機配件維修維護技術零件資料手冊

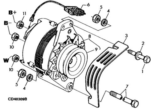
KEY PART NO. PART NAME QTY SERIAL NO. T REMARKS
1 19H2661 CAP SCREW 1 X 5/16" X 1-3/8"
2 24H1292 WASHER 1 X 11/32" X 3/4" X 0.120"
3 .................. SHIELD NA X
4 12M7056 LOCK WASHER 2 X 8.100 MM
5 14H785 NUT 1 X 5/16"
6 RE62627 CONNECTOR 1 X 47 OHMS
7 19H1897 CAP SCREW 1 X 5/16" X 3-3/4"
8 RE57960 ALTERNATOR 1 X (MAGNETON 443113516760, 12V - 55A)
9 R134417 SHEAVE 1 X 11/16" X OD 88MM
10 14M7265 LOCK NUT 2 X M5
11 14M7165 LOCK NUT 1 X M6

KEY PART NO. PART NAME QTY SERIAL NO. T REMARKS
1 RE63497 REGULATOR 1 X (A) STD, 12V
2 RE58515 DIODE 1 X (A) 12V
(A) SEE YOUR AUTHORIZED ALTERNATOR REPAIR STATION FOR PARTS NOT LISTED

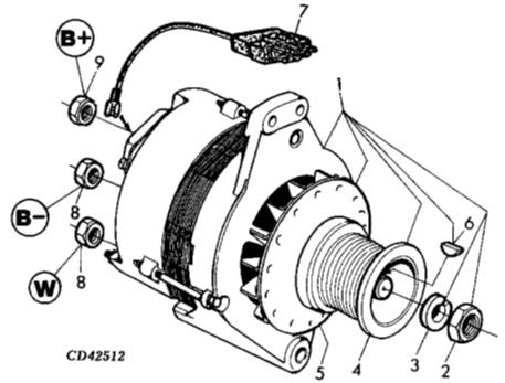
KEY PART NO. PART NAME QTY SERIAL NO. H H REMARKS
1 RE501634 ALTERNATOR 1 X X (MAGNETON 443113516241, 12V - 55A)
2 14M7156 NUT 1 X X M14
3 12H317 LOCK WASHER 1 X X 9/16"
4 R501192 SHEAVE 1 X X
5 T158584 FAN 1 X X
6 .................. SHAFT KEY 1 X X
7 RE62627 CONNECTOR 1 X X
8 14M7360 LOCK NUT 2 X X M5
9 14M7165 LOCK NUT 1 X X M6

KEY PART NO. PART NAME QTY SERIAL NO. H H REMARKS
1 RE63497 REGULATOR 1 X X (A) STD, 12V
2 RE58515 DIODE 1 X X (A) 12V
(A) SEE YOUR AUTHORIZED ALTERNATOR REPAIR STATION FOR PARTS NOT LISTED