曲軸、曲軸前后油封、曲軸瓦、曲軸齒輪、止推片
John Deere約翰迪爾強鹿柴油發動機曲軸、曲軸前后油封、曲軸瓦、曲軸齒輪、止推片配件銷售維修維護技術零件資料手冊

KEY PART NO. PART NAME QTY SERIAL NO. T REMARKS
1 RE65224 CRANKSHAFT 1 X KIT
2 AR67942 SEAL 1 X FRONT
3 T20046 OIL SLINGER 1 X
4 .................. SPUR GEAR NA X Z = 24
5 T20094 HELICAL GEAR 1 X Z = 24
6 .................. CRANKSHAFT 1 X (A) A = 60MM, MARKED R121018, ORD RE65224
7 26H72 SHAFT KEY 1 X 1/8" X 5/8"
8 RE27352 BEARING 4 X ID STD, (KIT (2) T23214)
9 RE27348 BEARING 4 X ID STD, (KIT (2) R83379)
10 RE60350 BEARING 1 X ID STD, (KIT (2) R121413)
11 RE13571 THRUST WASHER 1 X TK STD, (KIT (4) R78598)
12 RE44574 SEAL 1 X REAR
13 A120R DOWEL PIN 1 X
14 R81989 SLEEVE 1 X
15 H35244 O-RING 1 X
(A) GRINDING GUIDELINES : SEE CTM8 OR CTM3274

KEY PART NO. PART NAME QTY SERIAL NO. T REMARKS
1 DD15070 CRANKSHAFT AR X KIT , W/O KEY 3, (ALSO ORDER R100850)
2 AR67942 SEAL 1 X FRONT
3 T20046 OIL SLINGER AR X
4 .................. HELICAL GEAR NA X Z = 24
5 .................. CRANKSHAFT 1 X A = 60MM, MARKED "R", ORD DD15070
6 26H72 SHAFT KEY 1 X 1/8" X 5/8"
7 R48685 DOWEL PIN 1 X
8 RE27353 BEARING 4 X ID -0.254MM, (KIT (2) R87750)
9 RE27351 BEARING 1 X ID -0.254MM, (KIT (2) R87749)
10 RE13571 THRUST WASHER 1 X TK = STANDARD, (KIT (4) R78598)
11 RE27349 BEARING 4 X ID -0.254MM, (KIT (2) R87748) CONNECTING
ROD
12 RE44574 SEAL 1 X REAR

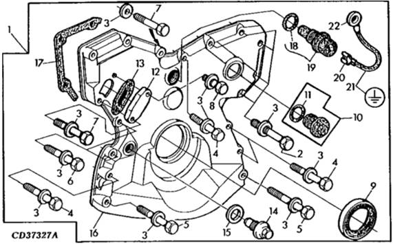
KEY PART NO. PART NAME QTY SERIAL NO. T REMARKS
1 RE51527 KIT AR X INCL. INSTRUCTIONS
2 19H3065 CAP SCREW 5 X 3/8" X 2", (SAE 8)
3 24M7106 WASHER 16 X 10 X 18 X 2.500 MM
4 19H2733 CAP SCREW 4 X 3/8" X 2-3/8", (SAE 8)
5 19H3031 CAP SCREW 2 X 3/8" X 2-1/2", (SAE 8)
6 19H2549 CAP SCREW 2 X 3/8" X 1-7/8"
7 19H1726 CAP SCREW 2 X 3/8" X 2-1/4"
8 19H2284 CAP SCREW 1 X 3/8" X 7/8"
9 AR67942 SEAL 1 X
10 RE52977 DRAIN PLUG 1 X M42 X 2
11 51M7049 O-RING 1 X 38.600 X 2.900 MM
12 T23260 COVER 1 X
13 R97352 GASKET 1 X
14 R91692 PLUG 1 X
15 A4827R WASHER 1 X
16 .................. COVER 1 X ALUMINIUM, MARKED R114217, ORD RE51527
17 R97454 GASKET 1 X
18 51M7044 O-RING 2 X 17.300 X 2.200 MM
19 RE38028 SENSOR 1 X
20 R65607 TERMINAL 1 X
21 TY16086 GROUND CABLE 1 X LGTH 30.5M, CUT TO LENGTH
22 R77491 TERMINAL 1 X

KEY PART NO. PART NAME QTY SERIAL NO. T REMARKS
1 R131794 GASKET 1 X
2 12H324 WASHER 5 X 3/8"
3 T20166 SCREW 5 X
4 R79863 PLATE 1 X (ALSO ORDER (8) AT21191 AND (2) AT22919)
5 R79854 WASHER AR X OD X ID 50MM X 46MM
6 AT21191 SET SCREW 8 X 5/16" X 0.380"
7 AT22919 SET SCREW 2 X 3/8" X 0.380"
8 T23442 STUD 3 X LGTH 36.6MM X 5/16"-24NS X 5/16"-18UNC
9 A22698 NUT 3 X 5/16"-18UNC

KEY PART NO. PART NAME QTY SERIAL NO. T REMARKS
1 T26327 SCREW 1 X
2 R101227 THRUST WASHER 1 X 14.7 X 57.9 X 4MM, FRONT
3 AR91660 HELICAL GEAR 1 X (MARKED R70182) Z = 55
4 T20034 BUSHING 1 X
5 R109863 PIN 1 X OD 44.5MM
6 R101225 THRUST WASHER 1 X 22 X 60 X 3MM, REAR