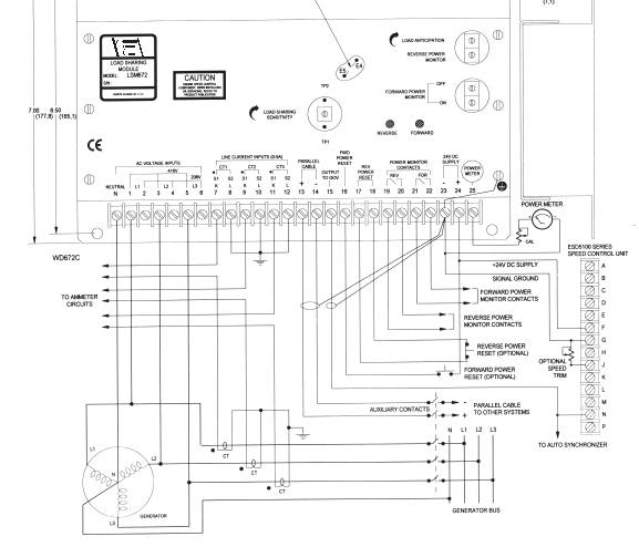
LSM672負荷分配模塊 LSM672負荷分配模塊與其它專用組件一起裝在發電機組控制屏內,該單元安裝在不防礙冷卻空氣自然流通的地方,該單元有三個大負載的電阻,每個電阻消耗的功率高達6.25瓦。 接線 電線連接見接線圖。電線的大小取決于分配模塊接線端可能有的最大電流,端子T~12的電流可高達5安,其余端子小于50毫安(繼電器觸頭除外,該處電流高達10安) 端子N是“wye”組合發電機組的三相電壓的中性連接點。 端字1~6接三相輸入電壓,根據發電機的電壓,選擇其中三個適合的端子,見說明書第2頁。 警告:端子N和1~6有高壓,操作(運轉)時端子蓋必須蓋好! 端子7~12接來自5安培變壓器的三相輸入電壓。儀表板(操縱板)交流器(CT)的伏安足夠大,可進行串聯連接。負荷分配模塊的交流器(CT)的負載為每相6.25VA,這是增加控制屏設備和交流器線路的負載額。注意,一般交流器接到端子8、10、12時要經總工程師批準。發電機并網|發電機手動并機控制|發電機并機控制資料|發電機并網并機控制技術|發電機手動并網并機控制維修服務商| 端子13和14是并車電纜連接端子,能把所有負載分配模塊連在一起,必須注意它們的極性,如果這些電纜長度超過1米,則必須屏蔽,且屏蔽要在端子23處接地。所用的繼電器接觸器必須適合最低電流值,小于1毫安(干接觸時)。 端子15是負荷分配模塊的輸出端接到調速器的端子,如果連接電纜長度超過1米,則必須屏蔽,且屏蔽在端子23處接地。 端子16為正向功率復位(FORWARD POWER RESET)端子,把一個常開的按鈕開關接到一個位于調速器上的+10伏的直流電源,當開關接零時,會使正向功率繼電器自動復位到斷開狀態(OFF)。把端子16接到電池負極可打開監測器。正向功率監測器有程序控制開關點通到端子16。在端子16與電池負極(端子23)之間連接一個1兆歐的電阻,可把原100%開(ON)40%關(OFF)的設定轉換到85%開(ON)和5%關(OFF)的設定。若要更多的程序設定請咨詢GAC公司獲取幫助。 端子17和18是逆功率復位(REVERSE POWER RESET)按鈕開關的端子,兩端子間出廠時就有一條跨接線,用于自動復位。自動復位會使只有在逆功率大于其設定值時內置繼電器才保持通電。 逆功率繼電器可以改為手動復位,這要通過對端子17、18的外開關來進行改裝,即在位于電路板上的端子E4和E5之間焊裝一條導線即可, E4和E5在單元里,開蓋即見。參閱圖2查找E4和E5位置。 用一個常閉的按鈕開關接于端子17和18之間,代替原有的跨接線,當開關打開時,逆功率繼電器將復位到斷開狀態。 端子19和20是逆功率繼電器的輸出端子,接觸器常開,額定電流為10安培(有指示燈)。 端子21和22是正向功率繼電器的輸出端子,接觸口常開,額定電流為10安培(有指示燈)。 端子23是電池負極,接到調速器上的接地參考端子上,不要直接接到電池負極上,否則,地上回路即形成。 端子24接到24伏的直流電源的負極上。 端子25提供一個與發電機組的輸出功率成正比例的直流電壓,接地參考點為端子23。更進一步信息見功率輸出信號部分。 預并車檢查 負荷分配靈敏度調節——全順時針位置 負荷預期調節——全反時針位置過1/4圈 調速器速度設定點——調節所需的速度 交流器(CT)調整檢查需要進行直流電壓測量 測量測試頭(TP1和TP2),觀察儀表的極性,下測試頭TP1為正,其電壓與整功率因數負荷(unity P.F.load)直接成比例,可望測得0~7.5伏的直流電壓,這取決于負荷、負荷分配靈敏度的調節及CT的比率。 在發電機帶有負荷時,檢查交流器(CT)的相位,瞬時的、按順序的短接每一個CT,每次僅一個(在端子7-8、9-10、11-12帶絕緣鉛時做),電壓讀數會減少1/3。如果沒有,則很有可能表示CT不合適或相位不對。相位糾正必須在發電機停止時才進行。 警告:發電機正在運轉時不要拆交流器的接線!有高壓存在!在所有接線完成后,確保接線柱的外蓋要蓋好! 調節 讓發電機與其它機組并車,系統中沒有負載,通過調速器調整每臺機組的速度至個機組的功率表示為零,以及有合適的頻率(50,60或400HZ)。而且調節發電機的交流電壓調節器,使其循環電流為零。這樣就可以把負荷加到系統去調整J。 負載分配 所有發電機組應按比例地分配系統中的負荷,負荷較低的機組要調高。反時針調節負荷靈敏度旋鈕(LOAD SHARING SENSITIVITY)即可增加負荷。 負荷預定 負荷預定(期)已在出廠前調好,在全反時針過1/4圈的位置。為了改善過渡反應,順時針慢慢向前調整旋鈕(LOAD ANTICIPATION)(在機組并車時進行),過渡反應的改善可通過負荷的改變觀察得到。順時針調節旋鈕過快時可引起機組不穩定,建議緩慢地調節。 降速 在某些情形下可能要求降速運行,為了達到降速,從端子13、14上拆去并車電纜,在13和14之間連一條跨接線,順時針調節負載分配靈敏度旋鈕(LOAD SHARING SENSITIVITY)即可增加降速百分比,或者在端子13和14接一個100K的可變電阻,可以得到5%的降速。進一步降速操作可參看《功率控制公告》(POWER CONTROL BULLETINES)。 逆功率 逆功率監測器已在出廠前調好,全順時針位置為最大行程點,要設定逆功率監測的行程點,可反時針調節逆功率監測器旋鈕(REVERSE POWER MONITOR)。對5安培的交流器二級輸出,其調節范圍為0.5%~20%,用實際所需或模擬逆功率來設定逆功率繼電器的行程點。 注:顛倒每個CT接頭的極性,用正常負荷模擬一個逆功率的工況,。調整好后,回復所有CT的連接。 如果需要更長的反向時間,在端子E3和E4(+)上加一個10微發的電容,可使時間加倍,大約有4秒。 正向功率 正向功率監測器通常用做動作信號,與功率需要量增加時,它可使另一臺機(附加機)起動運行,當功率需要量減少時,它可關閉該機(附加機)。 正向功率監測器(FORWARD POWER MONITOR)“開”(ON)的調整已在出廠前調好,在全順時針的位置(>100%)。正向功率監測器(FORWARD POWER MONITOR)“關”(OFF)也是在出廠前調好在全反時針的位置(<20%)。記住:必須總是先進行“開”(ON)的調節,后進行“關”(OFF)的調節。 緩慢地調高發電機組的負載到所需“開”(ON)的正向功率繼電器行程點,反時針旋轉“開”(ON)旋鈕,直到正向功率指示燈亮及繼電器有電,緩慢減少機組負荷到所需“關”(OFF)的正向功率,繼電器行程點,反時針旋轉“關”(OFF)調節旋鈕,直到正向功率指示燈熄滅和繼電器沒電。 在端子E6和E7(+)之間加裝一個10微發的電容,可使反轉時間增加到4秒。 上述所提到的負荷百分數是基于一個5安培的CT二級電流在機組滿負荷是所得出的,是個大概值。 功率輸出信號 在端子25初有一個與所測功率成比例的直流信號,電壓范圍為0~7.5VDC(基于一個0~5安的CT電流范圍)。端子25的電阻為1K歐,端子23為接地參考點。這個輸出信號為電壓信號。 這個信號可用于驅動一個0~1MA的表動作,如果這個表和一個10K歐的電位計串聯接于端子25和23之間。 系統故障排除 認有三相電壓并符合要求,確認發電機已接了中性點; 用直流電加至端子23和24,測量端子15與23之間的單元輸出電壓,應為5.0VDC+/-0.1VDC 在沒有負荷時測量并車電纜的電壓: 13至14 為OVDC+/-0.5VDC 13至23 為5.0VDC 14至23 為5.0VDC 再次檢查交流器的相位,測量各個CT的輸入電壓還可確定各CT的電流是否相等。 發電機組并車出現不穩定是,均等調低各負荷分配模塊的負荷靈敏度。逆時針少量地調節系統中所有負荷分配模塊負荷分配靈敏度旋鈕(LOAD SHARING SENSITIVITY)直到機組回復穩定。如果負荷分配靈敏度調到低于25%,負荷分配的效果會變差。進一步檢查確保負荷預期旋鈕(LOAD ANTICIPATION)位于出廠時所調定的位置,即在全反時針過1/4圈的位置。 如果不穩定還未消除,打開并車電纜,在每個單元的端子13和14之間接一條縣,這時會產生降速,但系統會變穩定,如果還不行,則檢查發電機電壓調節器的穩定性。 特別應用 除可進行負荷分配外,LSM672還能進行電力控制和電網管理,請索要有關說明書。 PTI4402發電機功率控制 LSM672可用于對并入電網的發電機進行控制,只須簡單的手動調節即可使所有發電機組輸出恒定的電力至電網。 PTI4003電網電力控制 LSM672可以監控電網,發出信號使發電機調整其輸入電網的電力,使電網電力保持恒定。 PTI4040功率的斜坡控制 來自GAC的PRC100A功率斜坡控制可用于發電機的負荷控制(使負荷漸增或漸減),輸入或輸出控制,或單機控制。PRC100A可使發電機緩和平穩地并網或脫網。 內部柱腳的功能 柱腳E1和E2可用一跨接線連接而轉換成 3.1伏的電源,一些好的調速系統都采用此電源。 柱腳E8用于檢查5.1V的電源。 柱腳E9、E10、E11及E12用于顛倒輸出電路的信號,正常的情形是E9和E10進行跨接,E11和E12進行跨接。 峰值修整(LSM672-1) 峰值修整的應用如下:拆去E9和E10,E11和E12的跨接線,在E9和E11之間裝一條跨接線,在E10和E12之間裝一個42.2K歐的電阻,改裝后的模塊就是LSM672-1。請參考PTI4003的說明。 參考基準調整校準 為了調整和校準內參考基準的偏移,可加直流和交流電壓到LSM672模塊,在沒有負荷的情況下,拆去連到調整器的端子15,測量15和23的電壓,調整到5VDC。




