約翰迪爾柴油機的ECU電腦板不能與故障診斷儀DST通信是什么問題故障維修代碼大全操作和維護手冊

6級ECU-D1-約翰迪爾ECU不與DST通信
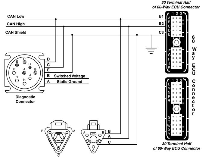
重要事項:不要將探針強行插入接頭。如果通信
否則會導致端子損壞。在診斷故障診斷儀(DST)和之間使用
無法建立JT07328連接器適配器測試發動機控制單元(ECU)。
用于在接頭中進行測量的套件。這將確保不會發生端子損壞。
約翰迪爾6級ECU-D1-ECU不與DST通信-續
6級ECU-D1-ECU不與DST診斷程序通信
注意:在使用此診斷程序之前,先對約翰迪爾60路ECU接頭和診斷接頭進行初步檢查,查看端子是否臟污、損壞或位置不良。
6級ECU-D2-ECU不與診斷儀表通信
Level 6 ECU - D1 - ECU Does Not Communicate with DST
IMPORTANT: Do not force probes into connector This diagnostic chart should be used if communication
terminals or damage will result. Use between the Diagnostic Scan Tool (DST) and the
the JT07328 Connector Adapter Test Engine Control Unit (ECU) cannot be established.
Kit to make measurements in connectors. This will ensure that terminal damage does not occur.
Level 6 ECU - D1 - ECU Does Not Communicate with DST - Continued
Level 6 ECU - D1 - ECU Does Not Communicate with DST Diagnostic Procedure
NOTE: Before using this diagnostic procedure, perform a preliminary inspection of the 60-way ECU connector and the diagnostic connector looking for dirty, damaged, or poorly positioned terminals.
Level 6 ECU - D2 - ECU Does Not Communicate with Diagnostic GaugeJohn Deere Qianglu engine parts supply 19m7846 bolts, John Deere Qianglu engine parts supply yz90755 clutch release plate, original genuine 295050-0810 injector 295050-0811 injector 23670-0l110 injector, original genuine 295700-0560236701102023670-0e020 injector, denso295700-056023670-0e0223670-09430295700-0090 injector, Volvo 350 oil transfer pump 04907180216839470490-7180 oil transfer pump 2168-3947, Guoliu nitrogen and oxygen Bosch 0281007964x10005600 nitrogen and oxygen sensor, yz90980 shell supplied by John Deere Qianglu engine parts, su24889 shaft supplied by John Deere Qianglu engine parts, sj15304 oil quantity sensor supplied by John Deere Qianglu engine parts,


|
1 Intermittent Fault Test |
NOTE: For wiring information, see D1 - ECU DOES NOT COMMUNICATE WITH DST supporting information.
1. Connect the DST
2. Ignition ON
3. Start the ECU Communication Software |
DST doesn’t communicate with ECU: GO TO 2
DST communicates with ECU: Problem is intermittent. If no other codes are present, see INTERMITTENT FAULT DIAGNOSTICS, in Group 160.
– – –1/1 |
|
2 |
Sensor Voltage Test |
NOTE: For wiring information, see D1 - ECU DOES NOT COMMUNICATE WITH DST supporting information.
1. Ignition OFF
2. Disconnect any of the following:
· Fuel temperature sensor · MAT sensor · ECT sensor
3. Ignition ON.
4. Using a multimeter, measure the voltage between both terminals of the selected sensor harness connector. |
3.0 V or above: |
|
|
|
|
GO TO 4 |
|
|
|
|
|
Below 3.0 V: |
|
|
|
|
|
GO TO 3 |
|
|
|
|
|
|
– – –1/1 |
|
3 Power Supply Test |
NOTE: For wiring information, see D1 - ECU DOES NOT COMMUNICATE WITH DST supporting information.
1. Ignition OFF
2. Disconnect 48-way ECU connector
3. Ignition ON
4. Using a multimeter, measure the voltage between a good ground and terminal G1 in the harness end of the 30 terminal half of the 48-way ECU connector. |
3.0 V or above: Faulty ECU power fuse OR Faulty ECU power wiring OR Faulty ECU
Below 3.0 V: Key-on signal wire open or shorted to ground OR Faulty ignition switch OR Faulty key-on power fuse – – –1/1 |
|
4 PDM Power Light |
NOTE: For wiring information, see D1 - ECU DOES NOT COMMUNICATE WITH DST |
Power light ON: GO TO 6
Power light OFF: GO TO 5
– – –1/1 |
|
Test |
supporting information. |
|
|
|
1. Ignition ON |
|
|
|
2. Note the power light on the Parallel Data Module (PDM) |
|
5 Open in Diagnostic Connector Ground Wire Test |
NOTE: For wiring information, see D1 - ECU DOES NOT COMMUNICATE WITH DST supporting information.
1. Ignition OFF
2. Disconnect the diagnostic cable from the diagnostic connector
3. Probe terminal A in the diagnostic connector with a test light connected to battery voltage. |
Light ON: Open or short to ground in diagnostic connector switched power wire.
Light OFF: Open in diagnostic connector ground wire.
– – –1/1 |
|
6 Open in Harness Circuit Test |
NOTE: For wiring information, see D1 - ECU DOES NOT COMMUNICATE WITH DST supporting information.
1. Ignition OFF
2. Disconnect 60-way ECU connector and diagnostic cable from the diagnostic connector
3. Using a multimeter, measure resistance on the harness end of both connectors between:
· Terminal D in the diagnostic connector and terminal B1 in the 60-way ECU connector · Terminal C in the diagnostic connector and terminal B2 in the 60-way ECU connector |
All measurements 5 ohms or less: GO TO 7
One or more measurements greater than 5 ohms: Open in harness circuit OR Connector terminals in wrong position
– – –1/1 |
|
7 CAN Resistance Test |
NOTE: For wiring information, see D1 - ECU DOES NOT COMMUNICATE WITH DST supporting information.
1. Ignition OFF
2. 60-way ECU and diagnostic connector still disconnected
3. Using a multimeter, measure resistance between terminals C and D in the harness end of the diagnostic connector. |
Between 45 - 75 ohms: GO TO 8
Less than 45 or greater than 75 ohms: Faulty or missing CAN terminator connector(s) OR Open or short in CAN wiring harness
– – –1/1 |
|
8 CAN High and Low Voltage Test |
NOTE: For wiring information, see D1 - ECU DOES NOT COMMUNICATE WITH DST supporting information.
1. Ignition OFF
2. Reconnect ECU 60-way connector
3. Ignition ON
4. Using a multimeter, measure voltage between a good chassis ground and:
· Terminal C in the diagnostic connector · Terminal D in the diagnostic connector |
Both measurements between 1.5 - 3.5 V: Faulty ECU connection OR Faulty diagnostic cable OR Faulty diagnostic connector OR Faulty Parallel Port Data Module (PDM) OR Faulty diagnostic software/computer configuration OR Faulty ECU
Either measurement less than 1.5 V or greater than 2.5 V: CAN wiring shorted to ground or voltage OR Faulty ECU
– – –1/1 |