工程機械CAT卡特發動機減速開關運行右剎車踏板開關電路測試描述

開關電路測試SMCS代碼:系統操作描述:本程序涵蓋了以下診斷代碼:•788-02工程機械CAT卡特發動機減速選擇開關信號丟失•1330-02右剎車踏板開關信號丟失工程機械CAT卡特發動機減速開關運行工程機械CAT卡特發動機減速開關是一個暫推按鈕開關。開關用于操作者選擇工程機械CAT卡特發動機減速運行模式。操作者可以有兩種工程機械CAT卡特發動機減速控制模式,自動和手動。當工程機械CAT卡特發動機減速開關處于釋放位置時,處于自動模式。在自動模式,只有當工程機械CAT卡特發動機轉速高于“自動模式點”時才會激活減速模式。黔南Perkins帕金斯403D-07G發動機充電發電機聯系,連云港Perkins帕金斯1103C-33TG3柴油機銷售中心一般多少錢,惠州Perkins帕金斯2206A-E13TAG5發動機柴油機油空氣濾清器供應服務商,臺北Perkins帕金斯1206F-E70TTAG3發電機配件哪里有,減速模式會保持到工程機械CAT卡特發動機達到“自動模式解除”的工程機械CAT卡特發動機轉速。當工程機械CAT卡特發動機減速開關被操作者持續按住,處于手動模式。

在手動模式,只有當工程機械CAT卡特發動機轉速高于“手動模式點”時才會激活緩行模式。減速模式會保持到工程機械CAT卡特發動機達到“手動模式解除”的工程機械CAT卡特發動機轉速,或釋放工程機械CAT卡特發動機減速開關。右制動踏板開關的運行右制動踏板開關是一個瞬時接觸開關。電子控制模塊(ECM)使用右制動踏板開關的輸入以檢測右制動踏板開關的狀態。ECM在按下制動時,使用該狀態信息以釋放油門控制鎖。操作者使用油門鎖功能以保持所需的工程機械CAT卡特發動機轉速。
這些開關都是瞬時開關,向ECM提供開關輸入信號。一個輸入通常是打開,另一個通常是關閉。
開關回路接線圖測試步驟1.檢查電氣接頭和電線A.斷開工程機械CAT卡特發動機ECM的電源

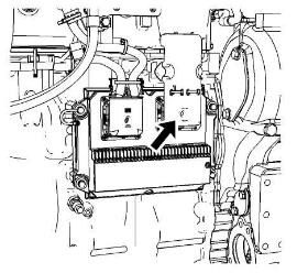
圖97J1/P1ECM接頭位置(工程機械CAT卡特發動機左視圖)B.徹底檢查J1/P1ECM接頭和每個開關的接頭。并且檢查回路中每個設備接頭。參考《故障排除》“電氣接頭-檢查”獲得細節。

圖98g0i243962在P1ECM接頭上,開關回路的端子位置(P1-5)數字回線(P1-44)右制動踏板開關(N/O)(P1-45)右制動踏板開關(N/C)(P1-49)減速開關(N/C)(P1-54)減速開關(N/O)

圖99減速開關接頭(A)減速開關(N/C)(B)數字回線(C)減速開關(N/O)

圖100g0H95660右制動踏板開關接頭(A)數字回線(B)右制動踏板開關(N/O)(C)右制動踏板開關(N/C)C.在可疑開關的每根電線上進行45N(10Ib)拉力測試。D.檢查ECM接頭上緊固螺栓的扭矩。參考《故障排除》“電氣接頭-檢查”獲得正確扭矩值。E.檢查線束和電線有無破損,檢查從開關回到ECM的線束有無狹縮點。期望結果:所有接頭,插針和插口完全耦合并插緊,線束和電線沒有腐蝕、破損或狹縮點。商洛Perkins帕金斯403D-15發動機濾清器型號中心,錦州Perkins帕金斯1206F-E70TTAG3發動機水泵、水泵襯墊一般多少錢,張掖Perkins帕金斯發動機缸體企業,賀州Perkins帕金斯2506C-E15TAG4發動機氣門室蓋罩聯系,晉中Perkins帕金斯4012-46TWG4發動機曲軸箱配件供應服務商,

結果:•OK-線束和接頭正常。繼續進行測試步驟2。•不行-線束和/或接頭存在問題。修理:修理線束和/或接頭。如果需要,更換部件。確認每個接頭的所有密封在適當位置,確認接頭完全耦合。確認修理消除了問題。停止。測試步驟2.檢查動態診斷代碼A.連接ET到服務工具接頭。B.接上工程機械CAT卡特發動機ECM的電源。注意:等待至少30秒,以使診斷代碼激活。C.檢查“動態診斷代碼”畫面有無與開關相關的動態代碼。徐州Perkins帕金斯1106D-E70TAG3發動機機油泵聯系,資陽Perkins帕金斯1106D-E70TAG2發動機柴油機油空氣濾清器歡迎來電,白城珀金斯1106S-70柴油機哪里能買到聯系,涼山Perkins帕金斯4012-46TWG2A發動機水泵、水泵襯墊電話,安慶Perkins帕金斯404D-15發動機缸套組件多少錢,扳動可疑開關,觀察卡特ET有無動態診斷代碼。D.斷開工程機械CAT卡特發動機ECM的電源。期望結果:與某個開關相關的診斷代碼不處于動態。結果:•OK-與某個開關相關的診斷代碼不變為動態。修理:開關運行正常。線束或接頭中可能存在間隙性問題。檢查線束和接頭有無間歇性電氣問題。參考《故障排除》“電氣接頭-檢查”。停止。•不行-與某個開關相關的診斷代碼處于動態。繼續進行測試步驟3。測試步驟3.在可疑開關接頭上產生短路,檢查有無診斷代碼A.斷開可疑開關的接頭。gO1195660

B.裝配一根足夠長的跳線,以連接可疑開關接頭的兩個端子。將接頭針夾到跳線的各端。C.在可疑開關接頭的線束側的開關(N/C)和數據回線端子之間安裝跳線。D.接上工程機械CAT卡特發動機ECM的電源。注意:等待至少30秒,以使診斷代碼激活。E.檢查“動態診斷代碼”淮南Perkins帕金斯2506C-E15TAG3發動機進排氣門、墊圈在什么地方買,貴州Perkins帕金斯403F-07G發動機控制器模塊一臺多少錢,常德Perkins帕金斯2206A-E13TAG3發動機水溫機油壓力轉速傳感器商家,湛江Perkins帕金斯1506D-E88TAG5發動機總成一臺多少錢,畫面有無與可疑開關相關的動態代碼。并且使用ET檢查開關狀態。正確的開關狀態會是“釋放”。F斷開工程機械CAT卡特發動機ECM的電源。G在可疑開關接頭的線束側的開關(N/O)和數據回線端子之間安裝跳線。H.接上工程機械CAT卡特發動機ECM的電源。注意:等待至少30秒,以使診斷代碼激活。I.檢查“動態診斷代碼”畫面有無與可疑開關相關的動態代碼。并且使用ET檢查開關狀態。正確的開關狀態會是“按下”。J.斷開工程機械CAT卡特發動機ECM的電源期望結果:沒有動態診斷代碼,開關狀態正確。結果:•OK-沒有動態診斷代碼,開關狀態正確。修理:開關存在問題。更換開關確認問題已解決。停止。•不行–存在動態診斷代碼或開關狀態不正確。開關正常。在可疑開關接頭和ECM之間的線束中存在問題。ECM可能存在問題。繼續進行測試步驟4。測試步驟4.檢查ECM有無正常運行A.斷開J1/P1ECM接頭。B.裝配一根足夠長的跳線,以連接ECM接頭的兩個端子位置。將接頭針夾到跳線的各端。C.在P1ECM接頭上,從開關(N/C),開關(N/O)和數字回線端子位置拆下電線。在P1ECM接頭上開關(N/C)和數字回線端子位置之間安裝跳線。D.連接J1/P1ECM接頭。E.接上工程機械CAT卡特發動機ECM的電源。注意:等待至少30秒,以使診斷代碼激活。F檢查“動態診斷代碼”畫面有無與可疑開關相關的動態代碼。并且使用ET檢查開關狀態。宜春Perkins帕金斯,2206A-E13TAG6發動機哪里有做維修保養的商家,甘肅Perkins帕金斯1106D-E70TA發動機噴油器費用報價單,荊門卡特C9發動機配件銷售中心大概的價錢,晉中Perkins帕金斯403F-07G發動機偏心軸電話,河池Perkins帕金斯1506C-E88TAG2發動機電子供油泵、提升輸油泵哪里有,正確的開關狀態會是“釋放”。G斷開工程機械CAT卡特發動機ECM的電源。H.斷開J1/P1ECM接頭。I.在P1ECM接頭上拆下開關(N/C)端子位置的跳線。J.在P1ECM接頭上,安裝跳線的另一端到開關(N/O)端子位置。K.連接J1/P1ECM接頭。L.接上工程機械CAT卡特發動機ECM的電源。注意:等待至少30秒,以使診斷代碼激活。M.檢查“動態診斷代碼”畫面有無與可疑開關相關的動態代碼。并且使用ET檢查開關狀態。正確的開關狀態會是“按下”。N.斷開工程機械CAT卡特發動機ECM的電源期望結果:沒有動態診斷代碼,開關狀態正確。

結果:•OK-沒有動態診斷代碼,開關狀態正確。修理:在可疑開關接頭和ECM接頭之間的線束中存在問題。檢查設備線束和接頭有無斷路或短路。修理線束和/或接頭。如果需要,更換部件。參考《故障排除》“電氣接頭-檢查”。停止。•不行–存在動態診斷代碼或開關狀態不正確。修理:ECM沒有正確檢測到開關輸入。更換ECM參考《故障排除》“更換ECM”.停止。i02490045開關電路測試SMCS代碼:寧德Perkins帕金斯403D-07發動機上下大修包技術查詢中心,廣安Perkins帕金斯4012-46TWG2A發動機高壓油泵、油泵組件專業服務中心,巴音郭楞Perkins帕金斯4016-61TRG3發動機偏心軸去哪找,江蘇Perkins403D-11發動機銷售中心電話,澳門離島Perkins帕金斯1106A-7-TAG2發動機控制屏大概的價錢,系統操作描述:本程序涵蓋了以下診斷代碼:1330-02右剎車踏板開關信號丟失右制動踏板開關的運行右制動踏板開關是一個瞬時接觸開關。電子控制模塊(ECM)使用右制動踏板開關的輸入以檢測右制動踏板開關的狀態。ECM在按下制動時,使用該狀態信息以釋放油門控制鎖。操作者使用油門鎖功能以保持所需的工程機械CAT卡特發動機轉速。該開關是一個瞬時開關,向ECM提供開關信號輸入。一個輸入通常是打開,另一個通常是關閉。
圖101開關回路接線圖g01195854測試步驟1.檢查電氣接頭和電線A.斷開工程機械CAT卡特發動機ECM的電源圖102J1/P1ECM接頭位置(工程機械CAT卡特發動機左視圖)B.徹底檢查J1/P1ECM接頭和每個開關的接頭。并且檢查回路中每個設備接頭。參考《故障排除》“電氣接頭-檢查”獲得細節。圖103gO1243917在P1ECM接頭上,右剎車踏板開關的端子位置(P1-5)數字回線(P1-44)右制動踏板開關(N/O)(P1-45)右制動踏板開關(N/O)g01186024
圖104g0H95660右制動踏板開關接頭(A)數字回線(B)右制動踏板開關(N/O)(C)右制動踏板開關(N/C)C.在可疑開關的每根電線上進行45N(10Ib)拉力測試。D.檢查ECM接頭上緊固螺栓的扭矩。參考《故障排除》“電氣接頭-檢查”獲得正確扭矩值。E.檢查線束和電線有無破損,檢查從開關回到ECM的線束有無狹縮點。期望結果:所有接頭,插針和插口完全耦合并插緊,線束和電線沒有腐蝕、破損或狹縮點。楚雄Perkins帕金斯4012-46TAG3A發動機柴油機油空氣濾清器商家,商丘Perkins帕金斯1506A-E88TAG3發動機活塞、活塞環網站,泰安Perkins帕金斯,2206A-E13TAG6發動機汽缸床代理商,四平Perkins帕金斯403D-15T發動機水泵、水泵襯墊大概的價錢,結果:•OK-線束和接頭正常。繼續進行測試步驟2。•不行-線束和/或接頭存在問題。修理:修理線束和/或接頭。如果需要,更換部件。確認每個接頭的所有密封在適當位置,確認接頭完全耦合。確認修理消除了問題。停止。測試步驟2.檢查動態診斷代碼A.連接ET到服務工具接頭。注意:等待至少30秒,以使診斷代碼激活。C.檢查“動態診斷代碼”畫面有無與某個開關相關的動態代碼。扳動可疑開關,觀察卡特ET有無動態診斷代碼。D.斷開工程機械CAT卡特發動機ECM的電源。期望結果:與某個開關相關的診斷代碼不處于動態。結果:•OK-與某個開關相關的診斷代碼不變為動態。修理:開關運行正常。線束或接頭中可能存在間隙性問題。檢查線束和接頭有無間歇性電氣問題。參考《故障排除》“電氣接頭-檢查”。停止。•不行-與某個開關相關的診斷代碼處于動態。繼續進行測試步驟3。測試步驟3.在可疑開關接頭上產生短路,檢查有無診斷代碼A.斷開可疑開關的接頭。B.裝配一根足夠長的跳線,以連接可疑開關接頭的兩個端子。將接頭針夾到跳線的各端。C.在可疑開關接頭的線束側的開關(N/C)和數據回線端子之間安裝跳線。D.接上工程機械CAT卡特發動機ECM的電源。注意:等待至少30秒,以使診斷代碼激活。E.檢查“動態診斷代碼”畫面有無與可疑開關相關的動態代碼。并且使用ET檢查開關狀態。正確的開關狀態會是“釋放”。B.接上工程機械CAT卡特發動機ECM的電源。F.斷開工程機械CAT卡特發動機ECM的電源

G.在可疑開關接頭的線束側的開關(N/O)和數據回線端子之間安裝跳線。H.接上工程機械CAT卡特發動機ECM的電源。注意:等待至少30秒,以使診斷代碼激活。I.檢查“動態診斷代碼”畫面有無與可疑開關相關的動態代碼。并且使用ET檢查開關狀態。正確的開關狀態會是“按下”。J.斷開工程機械CAT卡特發動機ECM的電源期望結果:沒有動態診斷代碼,開關狀態正確。結果:•OK-沒有動態診斷代碼,開關狀態正確。修理:開關存在問題。更換開關確認問題已解決。停止。•不行–存在動態診斷代碼或開關狀態不正確。開關正常。在可疑開關接頭和ECM之間的線束中存在問題。ECM可能存在問題。繼續進行測試步驟4。測試步驟4.檢查ECM有無正常運行A.斷開J1/P1ECM接頭。B.裝配一根足夠長的跳線,以連接ECM接頭的兩個端子位置。將接頭針夾到跳線的各端。C.在P1ECM接頭上,從開關(N/C),開關(N/O)和數字回線端子位置拆下電線。在P1ECM接頭上開關(N/C)和數字回線端子位置之間安裝跳線。D.連接J1/P1ECM接頭。E.接上工程機械CAT卡特發動機ECM的電源。注意:等待至少30秒,以使診斷代碼激活。F檢查“動態診斷代碼”畫面有無與可疑開關相關的動態代碼。并且使用ET檢查開關狀態。正確的開關狀態會是“釋放”。G斷開工程機械CAT卡特發動機ECM的電源。汕頭Perkins帕金斯1104C-44TAG3發動機濾清器型號商家,海北Perkins帕金斯1106D-E70TAG5發動機多小錢在什么地方買,東營Perkins帕金斯發動機手油泵一臺多少錢,拉薩Perkins帕金斯2206A-E13TAG3發動機配件中心庫多少錢,汕尾珀金斯柴油發動機1103A-33TG1配件銷售一臺多少錢,楚雄Perkins帕金斯4008TAG發動機柴油泵、噴射泵組件多少錢,H.斷開J1/P1ECM接頭。I.在P1ECM接頭上拆下開關(N/C)端子位置的跳線。J.在P1ECM接頭上,安裝跳線的另一端到開關(N/O)端子位置。K.連接J1/P1ECM接頭。L.接上工程機械CAT卡特發動機ECM的電源。注意:等待至少30秒,以使診斷代碼激活。M.檢查“動態診斷代碼”畫面有無與可疑開關相關的動態代碼。并且使用ET檢查開關狀態。正確的開關狀態會是“按下”。N.斷開工程機械CAT卡特發動機ECM的電源期望結果:沒有動態診斷代碼,開關狀態正確。結果:•OK-沒有動態診斷代碼,開關狀態正確。修理:在可疑開關接頭和ECM接頭之間的線束中存在問題。檢查設備線束和接頭有無斷路或短路。修理線束和/或接頭。如果需要,更換部件。參考《故障排除》“電氣接頭-檢查”。停止。•不行–存在動態診斷代碼或開關狀態不正確。修理:ECM沒有正確檢測到開關輸入。更換ECM參考《故障排除》“更換ECM”.停止。