卡特彼勒發動機渦輪增壓器典型示意圖談細的工作原理是什么
在渦輪增壓卡特CAT發動機中,有兩個渦輪增壓器,位于卡特CAT發動機的背部。每個渦輪增壓器都有一個渦輪機葉輪(排氣側)和一個壓氣機葉輪(進氣側)。這兩個葉輪都安裝在通用軸上且同時轉動。渦輪增壓器的渦輪機葉輪一側固定到排氣集管,而壓氣機一側與后冷卻機相連。

渦輪增壓器
(1)渦輪增壓器進氣口(2)燃料吸入管路(3)水冷式渦輪機殼體(4)排氣旁通閥(5)放油管
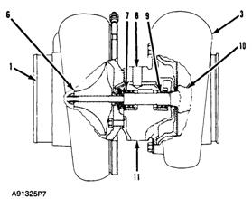
排出的燃氣由排氣旁通閥(4)調節。排出的燃氣進入渦輪機殼體(3)并被壓入渦輪機葉輪(10)的槳葉。渦輪機葉輪和壓氣機葉輪使用同一個轉軸。因而渦輪機葉輪的轉動會引起壓氣機葉輪的轉動。在最高空轉情況下,轉軸的轉速可以達到70000轉/分。

渦輪增壓器(典型示意圖)
(6)壓氣機葉輪(7)軸承(8)燃料入口(9)軸承(3)渦輪機殼體(10)渦輪機葉輪(1)進氣口(11)燃料出口
潔凈的空氣被從空氣過濾器吸入,通過壓氣機葉輪(6)的轉動穿過壓氣機殼體進氣口(1)。壓氣機渦輪槳葉的動作使吸入的空氣被壓縮。這次壓縮使得卡特CAT發動機具備了更大的動力,因為這使卡特CAT發動機有可能在更高的效率下燃燒更多的燃料。
渦輪增壓器的最大轉速由燃料設定、高空轉轉速設定和卡特CAT發動機運轉時超出水平面的高度決定。
注意

如果高空轉轉速或燃料設定比燃料設定信息卡(針對于高出水平面運轉的機器)上給出的數據要高,可能會對卡特CAT發動機或渦輪增壓器部件造成損壞。當由于卡特CAT發動機輸出而產生的熱量或摩擦超過卡特CAT發動機冷卻和潤滑系統所能承受的能力,那增加的熱量和潤滑會對卡特CAT發動機造成損壞。對機械進行正確的磨合是找出最合適的燃料設定和高空轉設定的唯一方法。
渦輪增壓器中軸承(7和9)使用卡特CAT發動機油下壓產生潤滑作用。機油進入并通過燃料入口(8),再流經軸承的中央部分并產生潤滑作用。然后機油流出燃料出口(11)并返回油盤。 怒江Perkins帕金斯1204F-E44TTAG2發動機水泵、水泵襯墊供應服務商,邵陽Perkins帕金斯2206A-E15TAG4發動機噴油器費用報價單,婁底卡特柴油發動機3116配件銷售網站,株洲CATC1.1發動機原廠配件聯系,銀川珀金斯噴油泵總成價錢型號歡迎來電,