多臺發電機如何并網?船舶發電機并車
需要安裝同期并網裝置,
并網的四個條件:
1. 多臺發電機的頻率相同。
2. 多臺發電機出口電壓相同,其最大誤差應在5%以內。
3. 多臺發電機相序相同。
4. 多臺發電機相位一致。
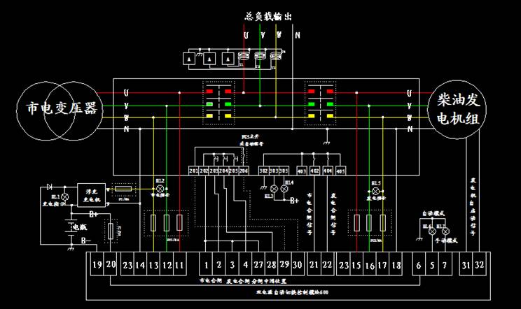
500kw發電機與市電并機注意事項
發電機組并網運行有幾個技術條件:1.可再生能源發電且裝機功率大于500kW,國家是鼓勵并網發電的。如果是柴油發電機組或者是單機裝機功率小于500kW,一般是不能辦理并網發電手續的。
2.并網發電機組必須配備自動同期檢測裝置(檢測電壓、頻率、相序)及逆功率保護裝置(避免反送電),還有電力部門要求的線路保護等其他保護條件,電力調度專線、及經過培訓的電力調度操作人員。
雙路電源自動轉換電路,雙電源電路遇到停電是否會自動切換?

自動切換裝置有:雙電源自動切換開關(ATS)、接觸器。
雙電源切換開關有很多種有ATS/CTTS/DTTS/ATB/ACTB/STS/SLTS/MVATS/MVCTTS。
常用低壓的雙電源自動切換開關有PC級的和CB級的。PC級的采用勵磁驅動,一體式機構,具有切換時間快 安全可靠,切換時間在100-300毫秒。CB級是用兩個斷路器為基礎,切換時間在2000-3000毫秒。
How many generator hooked up? Marine generator and car
Need to install the interconnection device during this period,
Interconnection of the four conditions:
1. The more the frequency of the generator is the same.
2. More than export voltage generator is the same, the maximum error should be within 5%.
3. The generator phase sequence is the same.
4. Many sets of generator in phase.
500 kw generator and mains weaver matters needing attention
Generating unit parallel operation are a few technical conditions: 1. Renewable energy power generation and installed power more than 500 kw, countries is to encourage the grid-connected power generation. If the diesel generator set or single machine installed power less than 500 kw, the general is can't go through the formalities of the grid-connected power generation.
2. Parallel generating unit must be equipped with automatic detection devices (detection voltage, frequency, phase sequence) and reverse power protection device (to avoid the transmission), and line protection and other protection conditions required by the power sector, power dispatching of electric power dispatching dedicated and trained operators.
Double circuit power supply automatically switching circuit, the double power supply automatically switching circuit in a power outage?
Automatic switching device are: dual power automatic transfer switch (ATS), the contactor.
Dual power supplies switch there are many kinds of ATS/CTTS DTTS/ATB/ACTB/STS/SLTS/MVATS/MVCTTS.
Commonly used low pressure double power source automatic switch are PC grade level and CB. PC level driven by excitation, one-piece body, has the fast switch time safe and reliable, switch time from 100 to 300 milliseconds. CB level is to use two circuit breaker, switch time from 2000 to 3000 milliseconds.