發動機機油冷卻器拆卸安裝方法卡特C13 Perkins2206柴油機

1. 將冷卻系統中的冷卻液排放到適當的容器中,以便存放或處置。請參閱操作和保養手冊,“冷卻系統冷卻液-更換”。
圖釋59
2. 松開軟管卡箍并向前滑動軟管(4),以便從發動機機油冷卻器上斷開軟管。
3. 按照步驟3.a至步驟3.c拆下管組件(3)。
a. 拆下螺栓(1)和接頭(2)(未顯示)。
b. 拆下螺栓(5)和管組件(3)。
c. 從管組件(3)上拆下O形密封圈(6)(未顯示)。

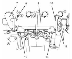
圖釋 60
4. 將適當的起吊設備連接到卡特C13珀金斯2206發動機機油冷卻器(9)上,以支撐發動機機油冷卻器的重量。發動機機油冷卻器的重量約為23千克(50磅)。
5. 拆下螺栓(12)和螺栓(13)。
6. 拆下螺栓 (10).
注意:只需松開后螺栓即可拆下連接(11)。
7. 拆下連接(11)。從接頭上拆下O形密封圈。
8. 拆下螺栓 (8).
9. 小心拆下發動機機油冷卻器(9).
10. 從接頭(7)上拆下O形密封圈。

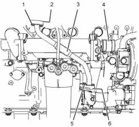
圖釋 61
11. 從卡特C13珀金斯2206發動機機油冷卻器機油濾清器底座(15)上拆下O形密封圈(14)。
發動機機油冷卻器-安裝
安裝步驟
1. 確保機油冷卻器清潔,沒有損壞或阻塞。清潔冷卻器連接和發動機機油濾清器底座的配合面。

圖釋 62
2. 將新的O形密封圈(14)安裝到發動機機油濾清器底座(15)上。

圖釋 63
3. 將新的O形密封圈安裝到接頭(7)和(11)上。
4. 將適當的起吊設備連接到發動機機油冷卻器(9)上。發動機機油冷卻器的重量約為23 kg(50 lb)。
5. 將發動機機油冷卻器(9)放置在發動機機油濾清器底座上。
6. 安裝螺栓(8)。將螺栓擰緊至28 N•m(21 lb ft)的扭矩。
7. 將連接(11)放置在發動機機油冷卻器(9)上并安裝螺栓(10)。將螺栓擰緊至28 N•m(21 lb ft)的扭矩。
8. 安裝螺栓(12)和(13)。將螺栓擰緊至28 N•m(21 lb ft)的扭矩。

圖釋 64
9. 按照步驟9.a至步驟9.d安裝管組件(3)。
a. 將新的O形密封圈(6)(未顯示)安裝到管組件(3)上。
b. 將新接頭(2)和螺栓(1)安裝到管組件(3)上。
c. 將管組件(3)放在發動機上,并擰緊螺栓(1)。

d. 安裝螺栓(5)。擰緊螺栓(1)并擰緊至28 N•m(21 lb ft)。
10. 連接軟管(4)并牢固擰緊軟管卡箍。
11. 加注冷卻系統。請參閱卡特C13珀金斯2206發動機操作和保養手冊,“冷卻系統冷卻液-更換”。

忻州Perkins帕金斯403D-07卡特CAT發動機水泵、水泵襯墊在什么地方買,黑河Perkins帕金斯4012-46TWG2A卡特CAT發動機哪里有做維修保養的代理商,湘西Perkins帕金斯2506C-E15TAG4卡特CAT發動機柴油泵、噴射泵組件費用,塔城Perkins帕金斯1206F-E70TTAG3卡特CAT發動機氣門導管油封電話,信陽Perkins帕金斯1506C-E88TAG1卡特CAT發動機進排氣門、墊圈費用報價單,吉安Perkins帕金斯854E-E34TA卡特CAT發動機電子供油泵、提升輸油泵費用,