
康明斯B系列船舶用柴油發動機熱交換器
康明斯B系列船舶用柴油發動機熱交換器沖洗
關閉海水閥。

注: 海水具有高度腐蝕性。蓋好充電機和其它任何可能與海水接觸的發動機零件。
從熱交換器上拆下鋅保護塞。

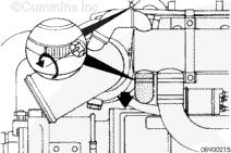
所示為典型的軟管連接,沒有顯示中冷器冷卻液軟管和排氣彎管支架。從熱交換器上斷開海水進口和出口接頭。

使用清潔的低壓水反沖熱交換器。將軟管連接到熱交換器海水出口處,使水反沖系統。這樣可除去和沖出所有松動的碎屑。確保末端腔室內沒有任何碎屑。

檢查鋅保護塞。如果有保護塞腐蝕超過 50%,必須將其更換。
|
腐蝕極限 |
新的 |
|
A = 大約 19 mm [0.75 in] |
51 mm [2 in] |
|
B = 大約 6.4 mm [0.25 in] |
16 mm [0.63 in] |

注: 不要在鋅保護塞上使用螺紋密封膠。它們必須接地到部件上以便正常工作。
在中冷器和熱交換器中安裝鋅保護塞。參考第 4 節中的步驟 008-059。

安裝海水進口和出口接頭。扭矩值: 5 n.m [44 in-lb]

打開位于船體上的海水進口閥。運轉發動機,檢查有無泄漏。洗掉任何與發動機接觸的海水。

康明斯船用柴油發動機熱交換器沖洗
關閉位于船體上的海水閥。

若要沖洗船用變速箱油冷卻器,

從中冷器和熱交換器上拆下鋅保護塞。

圖示為典型的軟管接頭。 從熱交換器上斷開海水進口和出口接頭。

使用干凈的低壓水反沖熱交換器。將軟管連接到熱交換器海水出口處,使水反沖系統。這樣可除去和沖出所有松動的碎屑。確保末端腔室內沒有任何碎屑。

檢查各個塞子。如果任一塞子的腐蝕超過 50%,必須將其更換。
|
腐蝕極限 |
新的 |
|
A = 大約 19 mm [0.75 in] |
51 mm [2 in] |
|
B = 大約 6.4 mm [0.25 in] |
16 mm [0.63 in] |

注: 不要在鋅保護塞上使用螺紋密封膠。它們必須接地到部件上以便正常工作。
在中冷器和熱交換器中安裝鋅保護塞。

安裝海水進口和出口接頭。扭矩值: 5 n.m [44 in-lb]

打開位于船體上的海水進口閥。運轉發動機,檢查有無泄漏。
