
康明斯QSB柴油發動機前齒輪室蓋
準備步驟
康明斯QSB柴油發動機前齒輪室蓋后齒輪系
|
警告 
蓄電池可能會有易爆性氣體逸出。為了盡可能避免人身傷害,在維護蓄電池前,必須保持發動機艙通風良好。為避免產生電弧,應首先拆下負極 (-) 蓄電池電纜,并最后連接負極 (-) 蓄電池電纜。 |
斷開蓄電池。
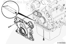
拆下康明斯發動機水泵(冷卻風扇)驅動皮帶。參考第 8 節中的步驟 008-002。
拆卸減振器/曲軸轉速指示環。如果配備粘性減振器,則使用以下步驟。參考第 1 節中的步驟 001-052。如果配備了橡膠減振器,采用以下步驟。參考第 1 節中的步驟 001-051。 如果只配備有康明斯曲軸轉速指示器環,采用以下步驟。參考第 1 節中的步驟 001-071。
如果需要,拆卸康明斯風扇轂皮帶輪。參考第 8 節中的步驟 008-039。
拆下前油封。參考第 1 節中的步驟 001-023。
斷開并拆卸凸輪軸位置傳感器(如有需要)。采用《康明斯ISB、ISBe4、 QSB4.5 、QSB5.9、QSB6.7、ISC、QSC8.3、ISL 和 QSL9 發動機電子控制系統故障判斷和排除手冊》(公告號 3667186)中的以下步驟。參考第 19 節中的步驟 019-363。
斷開并拆卸曲軸位置/轉速傳感器(如果配備)。采用《康明斯ISB、ISBe4、 QSB4.5 、QSB5.9、QSB6.7、ISC、QSC8.3、ISL 和 QSL9 發動機電子控制系統故障判斷和排除手冊》(公告號 3667186)中的以下步驟。參考第 19 節中的步驟 019-365。采用《ISB (4 缸)和 ISBe (4 缸和 6 缸)系列發動機電子控制系統故障判斷和排除手冊》(公告號 4960486)中的以下步驟。參考第 19 節中的步驟 019-042。
如果機油壓力傳感器/開關位于前齒輪室蓋內,斷開并拆卸該傳感器/開關。采用《康明斯ISB、ISBe4、 QSB4.5 、QSB5.9、QSB6.7、ISC、QSC8.3、ISL 和 QSL9 發動機電子控制系統故障判斷和排除手冊》(公告號 3667186)中的以下步驟。參考第 19 節中的步驟 019-066。
康明斯QSB柴油發動機前齒輪室蓋前齒輪系
拆卸皮帶防護罩(如果配備)。參考第 8 節中的步驟 008-001。
對于船用應用類型,拆卸海水泵驅動皮帶。參考第 8 節中的步驟 008-126。
拆下發動機水泵(冷卻風扇)驅動皮帶。參考第 8 節中的步驟 008-002。
如果需要,拆卸風扇輪轂。參考第 8 節中的步驟 008-039。
斷開并拆卸曲軸位置傳感器。采用《康明斯ISB、ISBe4、 QSB4.5 、QSB5.9、QSB6.7、ISC、QSC8.3、ISL 和 QSL9 發動機電子控制系統故障判斷和排除手冊》(公告號 3667186)中的以下步驟。參考第 19 節中的步驟 019-365。
拆卸減振器/曲軸轉速指示環。如果配備粘性減振器,則使用以下步驟。參考第 1 節中的步驟 001-052。如果配備粘性減振器,則使用以下步驟。參考第 1 節中的步驟 001-051。 如果只配備有曲軸轉速指示器環,采用以下步驟。參考第 1 節中的步驟 001-071。
康明斯QSB柴油發動機前齒輪室蓋后齒輪系拆卸
|
注意 
某些帶有鑄鋁前齒輪室蓋的后齒輪系發動機有兩個螺紋孔,可幫助拆卸前齒輪室蓋。從前齒輪室蓋前部觀察,在右下角有一個螺紋通孔,可用于起重螺絲。在左下角有一個螺紋盲孔。可將螺釘插入盲孔中和滑錘一起使用。不要使用左下側螺紋盲孔作為起重螺絲安裝孔,否則會損壞前齒輪室蓋。 |
拆卸前齒輪室安裝螺釘。
|
注意 
若要拆下密封件,從前齒輪室上撬下前齒輪室蓋。在分離前齒輪室密封件時小心不要損壞前齒輪室蓋。 |
拆下前齒輪室蓋。

康明斯QSB柴油發動機前齒輪室蓋前齒輪系拆卸
|
注意 
若要拆下密封件,從前齒輪室上撬下前齒輪室蓋。在分離前齒輪室密封件時小心不要損壞前齒輪室蓋。 |
拆卸康明斯前齒輪室安裝螺釘。
將康明斯前齒輪室蓋連同曲軸前油封一起拆下。

用木塊將前齒輪室蓋支撐在平坦的工作面上。使用適當的沖頭和錘子,從后向前將舊密封件頂出前齒輪室蓋。
注: 某些發動機在曲軸前油封前部安裝了一個額外的防塵密封件。

清潔和檢查康明斯QSB柴油發動機前齒輪室蓋能否繼續使用
|
警告 
當使用溶劑、酸或堿性材料清潔時,請遵循制造商的使用建議。戴上護目鏡并穿上防護服,以避免人身傷害。 |
|
警告 
使用蒸汽清潔器時,戴上安全眼鏡或防護面罩,并穿上防護服。熱蒸汽可能會造成嚴重的人身傷害。 |
|
警告 
使用壓縮空氣時,戴上合適的護目鏡和防護面罩。飛揚的碎屑和臟物會造成人身傷害。 |
對于康明斯前齒輪系發動機,從康明斯前齒輪室蓋和齒輪室表面上刮下密封;對于后齒輪系發動機,從缸體上刮下。
用溶劑或蒸汽清洗前齒輪室蓋。
用壓縮空氣吹干齒輪室蓋。

檢查康明斯齒輪室蓋有無裂紋或損壞。
如果發現任何損壞,更換康明斯前齒輪室蓋。
注: 在更換前齒輪室蓋時,可以再次使用損壞的前齒輪室蓋上的零件。實例有機油加注頸、燃油泵齒輪檢修板等。

|
警告 
當使用溶劑、酸或堿性材料清潔時,請遵循制造商的使用建議。戴上護目鏡并穿上防護服,以避免人身傷害。 |
|
警告 
使用壓縮空氣時,戴上合適的護目鏡和防護面罩。飛揚的碎屑和臟物會造成人身傷害。 |
使用溶劑清除曲軸表面上的機油和殘余密封件。
用壓縮空氣吹干。

注: 如果曲軸磨損過度,發動機可使用一個采用了唇形曲軸前油封的維修用承磨襯套。
檢查康明斯曲軸前端是否過度磨損。
對于配備非唇形曲軸前油封的發動機,使用細砂布去除所有拉痕和毛刺。如果曲軸前端密封表面損壞,沒有可用的承磨襯套。
對于配備了唇形曲軸前油封的發動機,檢查曲軸油封接觸區有無磨損槽。如果槽的深度大于 0.25 mm [0.010 in],必須使用承磨襯套和加大尺寸后油封。參考第 1 節中的步驟 001-025。

康明斯QSB柴油發動機前齒輪室蓋后齒輪系安裝
懸置式康明斯油底殼 - 橡膠密封墊
檢查油底殼密封墊是否損壞。
如果發動機配備了帶橡膠油底殼密封墊的懸掛式油底殼而且發現密封墊損壞,必須拆卸油底殼并更換整個油底殼密封墊。參考第 7 節中的步驟 007-025。
康明斯油底殼 - 點膠加工密封墊
清除舊密封膠并在油底殼安裝法蘭上涂敷新密封膠(零件號 3164070)。
懸置式油底殼 - 紙質密封墊
檢查油底殼密封墊是否損壞。
如果紙質密封墊撕裂,可以進行修復。
與康明斯缸體前部平齊切開破損的密封墊。

注: 安裝三個導向銷(零件號 3164977)以改進前蓋和前油封與齒輪室和曲軸的對準情況。
使用舊密封墊作為模板,把新密封墊前部切成相同尺寸。

注: 必須在涂上密封膠后的 10 分鐘內安裝前齒輪室蓋。
清潔密封表面。
在新密封墊兩側涂敷密封膠(零件號 3164067)。
確保缸體、油底殼和前齒輪室的交叉點上有一層密封膠。

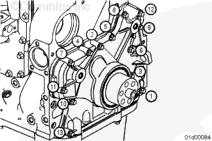
使用普通線或細金屬絲將密封墊接合處固定到位(如圖所示)。

|
注意 
在前齒輪室蓋安裝有機油壓力傳感器/開關的發動機上涂敷密封膠時,不要讓密封膠堵塞缸體與前齒輪室蓋之間的供油。這會導致 ECM 顯示機油壓力低故障以及可能的發動機停機。 |
按照圖示軌跡,在康明斯前齒輪室蓋的缸體側涂敷一條寬為 1.5 至 2.0 mm [0.06 至 0.08 in] 的密封膠條(零件號 3164070)。
在前齒輪室蓋內配備機油壓力傳感器/開關的發動機上,必須遵照下面兩個關鍵的密封膠軌跡:
1. 在此區域中,密封膠必須涂在前齒輪室蓋的外邊緣,以避開缸體上未使用的安裝孔。
注: 為了確保缸體上未使用的安裝孔不受密封連接點的影響,在安裝孔中填充密封膠(零件號 3164070)。
2. 必須把密封膠涂敷在前齒輪室蓋的安裝孔位置以及供油孔周圍。
注: 在涂上密封膠后的 10 分鐘內安裝前齒輪室蓋,否則密封膠不能正確密封。一旦安裝,讓密封膠干燥 30 分鐘后再運轉發動機。

注: 安裝前齒輪室蓋前,先確保在缸體、油底殼與前齒輪室蓋的相互接合面上涂敷了密封膠(零件號 3164067)。
使用環形定位銷來放置前齒輪室蓋,將前齒輪室蓋安裝到缸體上。
將康明斯前齒輪室蓋安裝到缸體安裝螺釘上,將油底殼安裝到前齒輪室蓋安裝螺釘上。這時不要擰緊螺釘。
如有安裝,拆卸將油底殼紙質密封墊固定到位的線或金屬絲。

按康明斯指示的順序將前齒輪室蓋至缸體安裝螺釘。
從內側螺釘開始,將油底殼緊固到前齒輪室蓋安裝螺釘上。
注: 視油底殼的類型而定,有兩根或四根安裝螺釘。
扭矩值: 24 n.m [212 in-lb]

康明斯QSB柴油發動機前齒輪室蓋前齒輪系
在安裝康明斯前齒輪室蓋以前,將新的曲軸前油封裝到前齒輪室蓋中。
將塑料導向安裝工具留在曲軸前油封中。
將康明斯油封置于油封安裝工具上(零件號 3824498),油封防塵唇朝外。

在康明斯油封周圍外側涂抹一圈密封膠(零件號 3375068)。

注: 正確支撐前齒輪室蓋的機油油封法蘭,防止損壞機油油封和前齒輪室蓋。
從康明斯前齒輪室蓋后面向前將曲軸前油封壓入前齒輪室蓋。
壓入機油油封,直到油封安裝工具(零件號 3824498)底部碰到前蓋。
注: 每個曲軸前油封組件都帶有一個安裝工具。如果沒有曲軸前油封安裝工具(零件號 3824498),可用此工具來代替。用錘子輕敲安裝工具的周圍,將曲軸前油封推入前齒輪室蓋,直至安裝工具觸底碰到前齒輪室蓋。

|
注意 
曲軸上的密封唇和密封表面不得殘留機油,以防止油封泄漏。 |
在康明斯前蓋的密封表面上涂抹一薄層密封膠(零件號 3164070)。
注: 此時不要拆下曲軸前油封中的塑料油封導向工具。使用塑料油封導向工具引導曲軸上的油封。
注: 在涂上密封膠后的 10 分鐘內安裝前齒輪室蓋,否則密封膠不能正確密封。一旦安裝,讓密封膠干燥 30 分鐘后再運轉發動機。
用塑料油封導向工具將曲軸前油封引導到曲軸上,將前齒輪室蓋安裝到發動機上。

按所示順序安裝并擰緊前齒輪室蓋螺釘。
扭矩值: 24 n.m [212 in-lb]
從曲軸上拆下塑料導向工具。

如果以前安裝過,或如果康明斯發動機在多塵環境中運行,安裝防塵密封件。
防塵密封件不需要導向工具。將防塵密封件滑到曲軸前端上。
使用隨新的曲軸前油封一起提供的安裝工具將防塵密封件安裝到前齒輪室蓋中。安裝防塵密封件,直至其與前齒輪室蓋齊平。

最后步驟
康明斯后齒輪系
如果康明斯機油壓力傳感器/開關位于前齒輪室蓋內,安裝并連接傳感器/開關。采用《康明斯ISB、ISBe4、 QSB4.5 、QSB5.9、QSB6.7、ISC、QSC8.3、ISL 和 QSL9 發動機電子控制系統故障判斷和排除手冊》(公告號 3667186)中的以下步驟。參考第 19 節中的步驟 019-066。
安裝并連接曲軸位置/轉速傳感器(如有需要)。采用《康明斯ISB、ISBe4、 QSB4.5 、QSB5.9、QSB6.7、ISC、QSC8.3、ISL 和 QSL9 發動機電子控制系統故障判斷和排除手冊》(公告號 3667186)中的以下步驟。參考第 19 節中的步驟 019-365。采用《ISB (4 缸)和 ISBe (4 缸和 6 缸)系列發動機電子控制系統故障判斷和排除手冊》(公告號 4960486)中的以下步驟。參考第 19 節中的步驟 019-042。
安裝并連接凸輪軸位置傳感器(如有需要)。采用《康明斯ISB、ISBe4、 QSB4.5 、QSB5.9、QSB6.7、ISC、QSC8.3、ISL 和 QSL9 發動機電子控制系統故障判斷和排除手冊》(公告號 3667186)中的以下步驟。參考第 19 節中的步驟 019-363。
安裝前油封。參考第 1 節中的步驟 001-023。
如果需要,安裝風扇輪轂皮帶輪。參考第 8 節中的步驟 008-039。
安裝減振器/曲軸轉速指示環。如果配備粘性減振器,則使用以下步驟。參考第 1 節中的步驟 001-052。 如果配備粘性減振器,則使用以下步驟。參考第 1 節中的步驟 001-051。如果只配備曲軸轉速指示器環,則使用以下步驟。參考第 1 節中的步驟 001-071。
對于船用應用類型,安裝發動機海水泵(冷卻風)驅動皮帶。參考第 8 節中的步驟 008-002。
前齒輪系
安裝康明斯減振器/曲軸轉速指示環。如果配備粘性減振器,則使用以下步驟。參考第 1 節中的步驟 001-052。如果配備粘性減振器,則使用以下步驟。參考第 1 節中的步驟 001-051。 如果只配備曲軸轉速指示器環,則使用以下步驟。參考第 1 節中的步驟 001-071。
安裝并連接康明斯曲軸位置傳感器。采用《ISB、ISBe4、 QSB4.5 、QSB5.9、QSB6.7、ISC、QSC8.3、ISL 和 QSL9 發動機電子控制系統故障判斷和排除手冊》(公告號 3667186)中的以下步驟。參考第 19 節中的步驟 019-365。
如果已拆下,安裝風扇輪轂。參考第 8 節中的步驟 008-039。
安裝康明斯發動機水泵(冷卻風扇)驅動皮帶。參考第 8 節中的步驟 008-002。
對于船用應用類型,安裝海水泵驅動皮帶。參考第 8 節中的步驟 008-126。
如果需要,安裝皮帶防護罩。參考第 8 節中的步驟 008-001。