康明斯K38 K50 QSK38 QSK50 QSK60柴油發動機水泵拆卸方法與維修技巧
概述
水套
|
如果彈簧張力不正確,密封會失效。在座和軸之間的接縫處必須涂一滴 Loctite™ 290 或等同物。如果密封膠超過一滴,可使密封面粘接并導致密封失效。 |
|
在配備有低溫中冷器 (LTA) 的發動機上使用 K50 水泵進水接頭將導致冷卻系統壓力過大以及冷卻系統故障。 |
康明斯K38 和 K50 水泵的實際尺寸相同,但是內部零件有所不同。必須安裝正確的水泵。如果沒有安裝正確的零件,水泵的性能將不符合技術規范。
水泵為離心泵,僅采用鑄鐵葉輪。該水泵為通過花鍵聯軸節由齒輪驅動的水泵。此聯軸節將水泵連接到水泵驅動裝置上。
每臺水泵包含兩個球型軸承。軸承采用加壓機油潤滑。新的 K38 和 K50 水泵都包含一個前置、大型單列滾珠軸承。老式水泵包含一個雙列型軸承。單列軸承和雙列軸承的水泵體和軸承隔圈有所不同。如果更換了前軸承,則必須安裝相同類型的軸承。
對水泵軸和葉輪進行了改動,以增加軸和葉輪接合處的扭矩能力。葉輪中的孔較小。葉輪上的驅動鍵、用于驅動鍵的缺口和自鎖緊螺釘均省略。可組合使用老式和新式軸以及葉輪,但是接合處的扭矩能力將不會增大。如果組合使用老式和新式零件,必須廢除驅動鍵和自鎖緊螺栓的使用。
葉輪和進水口管接頭具有機加工角,它對于水泵的性能起關鍵作用。老式和新式 K38 零件的角度不同,不能組合使用。 K50 葉輪和進水接頭通常機加工為相同的角度,但是與老式和新式 K38 的角度有所不同。
水泵軸也有所改變。新式軸只包含一個卡環,兩個軸承之間需要有隔圈。前置、大型單列軸承和雙列軸承的隔圈不同。老式軸有兩個卡環,不需要隔圈。老式軸僅在需要雙列軸承時安裝。如果更換老式軸,必須將正確的軸承和隔圈安裝至水泵泵體。
水泵包含一個油封和一個水封。改進的水封于 1997 年 10 月投入生產(首臺發動機生產序號 33139138)。這些密封件之間的空腔有通氣孔。如果密封件泄漏,通氣孔可防止潤滑劑或冷卻液污染。從通氣孔泄漏的機油和冷卻液不會影響泵的工作。在每次計劃的維護保養間隔,檢查通氣孔是否阻塞。建議的維護保養間隔是 250 小時或 6 個月。
水封由兩件式改變為組合式整體設計。在該設計中,水封和水封座緊固在一起。這樣有助于防止在安裝過程中由于污垢或機油與密封件和密封座表面接觸而造成的故障。安裝整體水封必須使用專用工具,以便使密封座按正確規格安裝到水泵泵體。正確的安裝可確保彈簧張力正確。
關于冷卻系統其他零件的更多信息,可以在本節中找到。
配備康明斯 LTA 系統的 K50 發動機采用 K38 水泵和水泵進口接頭。
設計水泵進口接頭是為了優化冷卻液流量分配,同時降低從主散熱器芯通過旁通管倒流的可能性。同時使用了改進后的較大直徑水旁通管。
下表詳細介紹了水泵零件的兼容性。
注: 如果軸在連接葉輪的一端沒有螺紋,必須廢除驅動鍵的使用。
注: 如果葉輪在具有葉片的一側沒有槽,必須廢除驅動鍵和自鎖緊螺釘的使用。
注: 如果軸在連接葉輪的一端具有螺紋,并且葉輪在帶有葉片的一側有一個槽,則必須安裝驅動鍵和自鎖緊螺釘。
|
發動機型號 |
水泵泵體 |
帶進口接頭 |
安裝葉輪 |
安裝軸 |
安裝隔圈 |
隔圈長度 mm [in] |
|
K38 |
3030489 |
3001712 |
3050453 或 3001711 |
3050442 或 3175527 |
3030487 |
35.17 [1.385] |
|
|
|
206456 |
3050455 或 3175069 |
3050442 或 3175527 |
3030487 |
35.17 [1.385] |
|
|
3001317 |
3001712 |
3050453 或 3001711 |
3050442 或 3175527 如果 206194 --> |
3175570 無 |
23.68 [0.935] |
|
|
|
206456 |
3050455 或 3175069 |
3050442 或 3175527 如果 206194 --> |
3175570 無 |
23.68 [0.935] |
|
|
206192 |
3001712 |
3050453 或 3001711 |
3050442 或 3175527 如果 206194 --> |
3175570 無 |
23.68 [0.935] |
|
|
|
206456 |
3050455 或 3175069 |
3050442 或 3175527 如果 206194 --> |
3175570 無 |
23.68 [0.935] |
|
K50 |
3030490 |
3002108 |
3050454 或 3002106 |
3050442 或 3175527 |
3030487 |
35.17 [1.385] |
|
|
3002107 |
3002108 |
3050454 或 3002106 |
3050442 或 3175527 |
3175570 無 |
23.68 [0.935] |
準備步驟
水套
警告
蓄電池可能有易爆性氣體逸出。為避免人身傷害,在維護蓄電池前,必須保持發動機艙通風良好。為避免產生電弧,總是首先斷開負極 (-) 電纜,并最后連接負極 (-) 電纜。
警告
不要從熱發動機上打開散熱器壓力蓋。應等冷卻液溫度降至 50°C [120°F] 以下時才能拆下壓力蓋。否則高溫冷卻液或蒸汽噴出可能會造成人身傷害。
警告
冷卻液有毒。避免兒童與寵物接觸冷卻液。如果不再繼續使用,應按照當地環保法規進行處理。
斷開蓄電池電纜。參考第 13 節中的步驟 013-009。
排放冷卻系統。參考第 8 節中的步驟 008-018。
拆下冷卻液旁通管。參考第 8 節中的步驟 008-005。
康明斯K38 K50 QSK38 QSK50 QSK60柴油發動機雙葉輪水泵
警告
蓄電池可能有易爆性氣體逸出。為避免人身傷害,在維護蓄電池前,必須保持發動機艙通風良好。為避免產生電弧,總是首先斷開負極 (-) 電纜,并最后連接負極 (-) 電纜。
警告
不要從熱發動機上打開散熱器壓力蓋。應等冷卻液溫度降至 50°C [120°F] 以下時才能拆下壓力蓋。否則高溫冷卻液或蒸汽噴出可能會造成人身傷害。
警告
冷卻液有毒。避免兒童與寵物接觸冷卻液。如果不再繼續使用,應按照當地環保法規進行處理。
斷開蓄電池電纜。參考第 13 節中的步驟 013-009。
排放冷卻系統。參考第 8 節中的步驟 008-018。
拆卸充電機驅動皮帶。參考第 13 節中的步驟 013-005。
拆下充電機驅動皮帶輪。參考第 9 節中的步驟 009-010。
拆下水泵旁通管和供水管。參考第 8 節中的步驟 008-138。
康明斯K38 K50 QSK38 QSK50 QSK60柴油發動機水泵拆卸
水套
從康明斯水泵進口上斷開散熱器下部軟管。
注: 在配備 LTA 的發動機上,斷開水濾清器軟管。

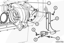
拆下將支架 (4) 固定到缸體上的兩個螺釘和重型墊圈 (6)。拆下將殼體 (2) 固定到水泵 (3) 上的四個螺釘。注意兩個墊圈 (5) 為重型墊圈。拆下支架。從泵上拉下殼體。拆下并廢棄 O 形圈 (1)。

警告
該部件或總成重達 23 kg [50 lb] 以上。若要防止造成嚴重的人身傷害,一定要尋求幫助或使用合適的提升設備來提升此部件或總成。
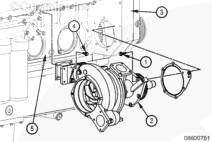
拆下將適配器板 (2) 固定到缸體上的四個螺釘。拆下將泵 (3) 固定到水泵驅動裝置 (6) 上的四個螺釘。拆下泵和聯軸節 (4)。從泵上拆下板 (2)。拆下并廢棄 O 形密封圈 (1) 和密封墊 (5)。

康明斯K38 K50 QSK38 QSK50 QSK60柴油發動機雙葉輪水泵
注: 顯示的是 QSK60 發動機所用的步驟。QSK38 和 QS K50 發動機的步驟相似。
打開發動機缸體 (1) 和水泵 (2) 上的排放旋塞。

拆下四個螺釘和水套水散熱器進口接頭。

拆下螺釘和水套水進口接頭。

從康明斯發動機缸體 (1) 和水泵支架 (3) 上拆下 2 個螺釘 (2)。從水泵 (4) 和水泵支架 (3) 上拆下 2 個螺釘 (2)。從水泵 (4) 和發動機缸體 (1) 上拆下螺釘 (2) 和水泵支架 (3)。

警告
該部件或總成重達 23 kg [50 lb] 以上。若要防止造成嚴重的人身傷害,一定要尋求幫助或使用合適的提升設備來提升此部件或總成。
從水泵 (2) 和齒輪室 (3) 上拆下 6 個螺釘 (1)。從發動機缸體 (5) 上拆下四個螺釘 (4)。從前齒輪室上拆下水泵。

清潔并檢查康明斯K38 K50 QSK38 QSK50 QSK60柴油發動機水泵能否繼續使用
水套
警告
當使用溶劑、酸或堿性材料清潔時,請遵循制造商的使用建議。戴上護目鏡并穿上防護服,以避免人身傷害。
警告
使用壓縮空氣時,戴上合適的護目鏡和防護面罩。飛揚的碎屑和臟物會造成人身傷害。
清潔所有密封墊表面。使用溶劑清潔水泵的驅動軸端。用壓縮空氣吹干。

轉動軸以檢查軸承有無損壞或磨損。需要的軸向間隙為 0.05 至 0.010 mm [0.002 至 0.004 in]。如果軸承損壞或磨損,則必須重裝泵。

檢查軸和聯軸節上的花鍵有無損壞或磨損。如果軸上的花鍵磨損或損壞,則必須重裝泵。如果聯軸節中的花鍵磨損,則必須更換聯軸節。如果接觸水泵驅動器的花鍵磨損,則檢查驅動器中的軸。

康明斯K38 K50 QSK38 QSK50 QSK60柴油發動機雙葉輪水泵
水泵漏水孔 (1) 處有少量化學堆積物或出現條紋屬正常現象。不要更換水泵,除非確認確實泄漏。如果確認有泄漏,請與 Cummins® 特約維修站聯系進行更換。
注: 安裝了漏水孔濾清器 (2) 的發動機濾清器上可能偶爾發生滴落或輕微化學物質堆積。這是正常現象,并不說明泵滲漏。不要更換水泵,除非確認確實泄漏。
