
康明斯柴油發動機進氣歧管預熱器
|
不要在帶中冷器的進氣歧管中使用火焰型預熱器;火焰將破壞 O 形密封圈。 |
在 -23° C [-10°F] 以及溫度更低時,使用 24 V 起動電路,通過電路中如圖 14 所示的兩個電阻器,預熱塞可以提供更多的熱量。這避免了從蓄電池至預熱塞的電流降低,而此降低通常是由起動馬達施加的負載引起的。
預熱塞式預熱器操作
準備康明斯起動發動機,檢查燃油供給、冷卻液液位、變速箱或動力輸出裝置是否位于空檔,確定所有的手都接觸不到發動機。關閉預熱塞開關。(紅色指示燈會熄滅。)20 到 30 秒(預熱塞加熱所需時間)后,操作加注泵,起動發動機過程中保持 241 kPa [35 psi] 的燃油壓力。在低于 -34° C [-30°F] 的溫度下需要使用稍高的噴嘴壓力,因為燃油更稠。如有疑問,試起動之前先試用噴嘴。發動機起動前一般先轉幾圈。
|
如果起動不成功,在拖動發動機最多 30 秒后,需要暫停兩分鐘,使蓄電池恢復電力,起動馬達冷卻下來。 |
預熱器的維護保養非常重要,要經常檢查預熱塞和噴嘴。對于偏僻地區,建議裝上額外的預熱塞。

圖 14. 預熱塞式預熱器接線圖 - 24 V 系統。
|
表 9:起動空氣建議 | ||
|
發動機型號 |
獨立起動階段的最低溫度 |
最低拖動轉速 |
|
康明斯 C (464), J (401) |
-1° C [30°F] |
150 |
|
康明斯 C S (464) |
4° C [40°F] |
150 |
|
康明斯 C T (464) |
-1° C [30°F] |
150 |
|
康明斯HS (672) |
0° C [32°F] |
150 |
|
康明斯NH (855) |
-1° C [30°F] |
150 |
|
康明斯N (927) |
0° C [32°F] |
150 |
|
康明斯NH (743) |
-6° C [20°F] |
150 |
|
康明斯H (672) |
-6° C [20°F] |
150 |
|
康明斯NHS |
4° C [40°F] |
150 |
|
康明斯NT (743) |
0° C [32°F] |
150 |
|
康明斯NT (855) 小凸輪 |
4° C [40°F] |
150 |
|
康明斯NT (855) 400 |
10° C [50°F] |
150 |
|
康明斯NTA 370, 420 |
10° C [50°F] |
150 |
|
康明斯NT (855) 大凸輪 I |
2° C [35°F] (4° C [40°F] 自動) |
150 |
|
康明斯NT (855) 400, 475 |
10° C [50°F] |
150 |
|
康明斯KT-1150 |
-1° C [30°F] |
150 |
|
康明斯KT-1150-600 |
4° C [40°F] |
150 |
|
康明斯V8 (352, 378, 470, 504, 555) 小凸輪 |
10° C [50°F] |
180 |
|
康明斯V8 (352, 378, 470, 504, 555) 大凸輪 |
-1° C [30°F] |
180 |
|
康明斯V-VT 903 |
-1° C [30°F] |
150 |
|
康明斯V 1710 |
4° C [40°F] |
150 |
|
康明斯KV 2300 |
4° C [40°F] |
150 |
|
康明斯KV 3067 |
4° C [40°F] |
150 |
|
康明斯NT 大凸輪 II |
4° C [40°F] |
150 |
|
康明斯VT 12 (1486) |
4° C [40°F] |
150 |
|
康明斯VT 12 (1486) |
0° C [32°F] |
150 |
|
康明斯VT 8 (950) |
4° C [40°F] |
150 |
|
康明斯V6 (588) |
-1° C [30°F] |
150 |
|
康明斯V6 (352, 378) |
10° C [50°F] |
150 |
|
康明斯V6 (352, 378) |
10° C [50°F] |
150 |
|
康明斯L-10 |
-1° C [30°F] |
150 |

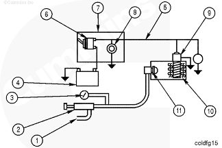
圖 15. 進氣歧管預熱 - 自噴油嘴式。
1進油口
2加注泵
3壓力表
4 12 V 蓄電池
5下列系統不需要使用預熱塞電阻器。
6連接至 12 V 蓄電池的 12 V 預熱塞
7連接至 6 V 蓄電池的 6 V 標準預熱塞。
8預熱塞式斷開/接通開關
9儀表板
10預熱塞指示燈
11預熱塞
12進氣歧管
13噴油嘴。
14隔熱材料

圖 16. 散熱器罩,帶可變開口。
康明斯發動機艙需要予以考慮,因為艙壁和面板必須是密封隔熱的,以便不會和發動機艙一起發生干涉。它必須防火且可允許足量空氣進入,在使用清潔的空氣濾清器時能使發動機進氣阻力低于 38 c m [15 in] 水柱。流至發動機艙的空氣必須處于清潔空氣的區域,并且盡可能遠離發動機進氣管路。隔熱材料必須不透油,以提供防火保護。有適用的條形或板形材料可供此應用選用。使用約為 25.40 到 38.10 mm [1 到 1 1/2 in] 厚度用扎帶牢固安裝的隔熱材料,以便它不會落在發動機上或掉入風扇中。石膏、玻璃泡沬或礦棉將提供允足的隔熱保護。
風扇驅動裝置

圖 17. 自動調溫風扇驅動。
溫度控制風扇驅動裝置將減少發動機處的空氣循環,幫助保存艙內的熱量。在規定的溫度下斷開風扇的驅動源即可實現這些設備的功能。有幾種驅動可供選用。熱調制驅動是氣動的,根據冷卻液溫度逐漸接合。粘性驅動使用液壓聯軸節,風扇轉速會在驅動源轉速的 40% 到 90% 之間變動。
康明斯散熱器罩
防寒前罩(圖 16)比百葉窗更能封閉空氣,在 -32° C [-25°F] 或更低溫度時,可以封閉發動機艙和散熱器。大部分汽車備件店都備有保溫罩。Kysor 和 C adilla c (散熱器百葉窗制造商)能提供專用保溫罩。通常,這些都是針對應用類型而定制的,并且必須能夠封閉空氣。取決于環境溫度和百葉窗工作,可手動調整保溫罩開度,以便控制流向散熱器的空氣。
曲軸箱呼吸器加熱器(ISM C M876、ISX C M871 和 ISX15 C M2250)
在 -23° C [-10°F] 或更低溫度下使用曲軸箱呼吸器加熱器、進口管隔熱罩、出口管隔熱罩以及凝聚式呼吸器濾清器殼體隔熱罩。這些零件可以在零件配送中心購買。
|
說明 |
零件號 |
數量 |
|
曲軸箱呼吸器隔熱罩 |
2878267 |
1 |
|
管隔熱罩 |
2878268 |
2 |
|
導線線束( 沒有必要用于 ISX15 C M2250 上) |
2878182 |
1 |
|
曲軸箱呼吸器加熱器 12 V |
2878181 |
1 |
|
或 | ||
|
曲軸箱呼吸器加熱器 24 V |
2878184 |
1 |
|
導線扎條 |
4952223 |
15 |
|
導線扎條卡箍 |
3822855 |
10 |
油底殼護罩
防水絕緣罩或厚帆布絕緣板懸掛在發動機下,或護罩可以為金屬板。這些零件可以從任何帆布或鈑金商店購買,并且必須針對車輛定制。
電氣設備
起動馬達
起動馬達必須為重型結構,以便能夠在高電流負載下承受較長的拖動期并且不會過熱;使用 24 V 或 32 V。所有起動馬達必須具有正向小齒輪嚙合特性,并且必須做好在最低期望溫度下工作的防寒措施。
起動馬達電纜
按照表 10 中規定的尺寸和長度使用起動系統電纜。如果采用殼體接地,刮除電纜連接點上的油漆和油脂并緊固,以保證良好的電氣連接。