![]()
Perkins1106A/C發動機前齒輪室蓋-拆卸和安裝
拆卸步驟
開始:
a.如果發動機配有風扇,卸下風扇和皮帶輪。請參閱《Perkins1106A/C發動機拆解和組裝》,“風扇-拆卸和安裝”,以了解正確的步驟。
b.拆下Perkins1106A/C發動機減振器和皮帶輪。請參閱《Perkins1106A/C發動機拆解和組裝》,“Perkins1106A/C發動機減振器和皮帶輪-拆卸”以了解正確步驟。
c.拆下Perkins1106A/C發動機水泵。請參閱《Perkins1106A/C發動機拆解和組裝》,“Perkins1106A/C發動機水泵-拆卸”以了解正確的程序。

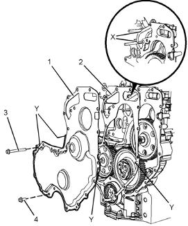
1拆下螺栓(3)和螺栓(4)。確定不同長度螺栓的位置。
2將前蓋(1)從前Perkins1106A/C發動機機殼體上拆下。
3將密封墊(2)從前蓋(1)上拆下。
安裝步驟


1徹底清潔前Perkins1106A/C發動機機殼體的密封墊表面。
2如果安裝了原有的前蓋,執行步驟2.a至2.b。
a.徹底清潔前蓋(1)。
b.將新密封墊(2)安裝到前蓋(1)上。將三個定位工具(Y)(未顯示)嚙合到前蓋的孔中。
3將工具(A)安裝到前Perkins1106A/C發動機機殼體的孔(X)中。
4使用工具(A)將前蓋組件安置到前Perkins1106A/C發動機機殼體上。
5安裝螺栓(3)和螺栓(4),用手擰緊。確保不同長度螺栓的安裝位置正確。
6松散地安裝Perkins1106A/C發動機水泵組件并拆卸工具(A)。請參閱《Perkins1106A/C發動機拆解和組裝》,“Perkins1106A/C發動機水泵-安裝”,以了解正確的步驟。
7擰緊螺栓(3)和螺栓(4)至扭矩為22N·m(195lbin)。
8擰緊Perkins1106A/C發動機水泵的螺栓至扭矩為22N·m(195lbin)。請參閱《Perkins1106A/C發動機拆解和組裝》,“Perkins1106A/C發動機水泵-安裝”,以了解正確的步驟。
結束:
a.如果發動機配有風扇,安裝風扇和皮帶輪。請參閱《Perkins1106A/C發動機拆解和組裝》,“風扇-拆卸和安裝”,以了解正確的步驟。
b安裝Perkins1106A/C發動機減振器和皮帶輪組件。請參閱《Perkins1106A/C發動機拆解和組裝》,“Perkins1106A/C發動機減振器和皮帶輪-安裝”,以了解正確的步驟。。