![]()
Perkins1106A/C發動機曲軸箱呼吸器-拆卸
(非過濾式呼吸器)
拆卸步驟

1松開軟管卡箍(2),然后從呼吸器(1)上拆下塑料管組件(3)。
2從夾子(5)上卸下塑料管組件(3)。
3從夾子(5)上卸下螺栓(4)(未顯示),然后拆下夾子。
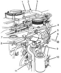
Perkins1106A/C發動機曲軸箱呼吸器-拆卸
(過濾式呼吸器)
拆卸步驟

1拆下呼吸器的濾罐(10)。請參閱《Perkins1106A/C發動機操作和保養手冊》,“Perkins1106A/C發動機曲軸箱呼吸器(濾罐)-更換”。
2松開卡箍(2)和(4)。
3從Perkins1106A/C發動機氣門機構蓋(1)和Perkins1106A/C發動機曲軸箱呼吸器的濾清器座(5)上拆下軟管(3)。
4松開卡箍(9),然后從Perkins1106A/C發動機曲軸箱呼吸器的濾清器座(5)上斷開軟管組件(11)。
5卸下螺栓(6),然后從安裝支架(7)上拆下Perkins1106A/C發動機曲軸箱呼吸器的濾清器座(5)。
6如有必要,按照步驟6.a至步驟6.b從Perkins1106A/C發動機缸蓋上卸下安裝支架(8)。
a.從安裝支架(8)上卸下螺栓(7)。
b從Perkins1106A/C發動機缸蓋上卸下安裝支架(8)。
Perkins1106A/C發動機曲軸箱呼吸器-安裝
(過濾式呼吸器)
安裝步驟

1如有必要,按照步驟1.a至步驟1.c將安裝支架(8)安裝到Perkins1106A/C發動機缸蓋上。
a.將安裝支架(8)定位到Perkins1106A/C發動機缸蓋上。
b.將螺栓(7)安裝到安裝支架(8)上。
c.擰緊螺栓(17)至扭矩為22N·m(195lbin)。
2將Perkins1106A/C發動機曲軸箱呼吸器的濾清器座(5)定位到安裝支架(7)上。安裝螺栓(6)。
3擰緊螺栓(6)至扭矩為22N·m(195lbin)。
4將軟管組件(11)連接到Perkins1106A/C發動機曲軸箱呼吸器的濾清器座(5)上。
5牢固地擰緊卡箍(9)。
6將軟管(3)連接到Perkins1106A/C發動機氣門機構蓋(1)和Perkins1106A/C發動機曲軸箱呼吸器的濾清器座(5)上。
7牢固地擰緊卡箍(2)和卡箍(4)。
8將新濾罐(10)安裝到Perkins1106A/C發動機曲軸箱呼吸器的濾清器座(5)上。請參閱《Perkins1106A/C發動機操作和保養手冊》,“Perkins1106A/C發動機曲軸箱呼吸器(濾罐)-更換”。
Perkins1106A/C發動機曲軸箱呼吸器-安裝
(非過濾式呼吸器)
安裝步驟
注意:保持所有零件清潔無雜質。雜質會造成快速磨損和縮短部件壽命。

1將塑料管組件(3)安裝到呼吸器(1)上。確保塑料管組件走線正確。
2牢固地擰緊軟管卡箍(2)。
3將夾子(5)正確定位。安裝螺栓(4)(未顯示),并用手擰緊。
4將塑料管組件(3)安裝到夾子(5)中。
5將螺栓(4)(未顯示)擰緊至扭矩為22N·m(195lbin)。